Zurück zu
>
Roth / TORO
>
Handgeräte
>
Schneefräsen
>
zweistufig
>
824 XL
>
612/38084
>
9900001
>
Motor & Rahmen
Ersatzteillisten für Toro Roth / TORO Motor & Rahmen
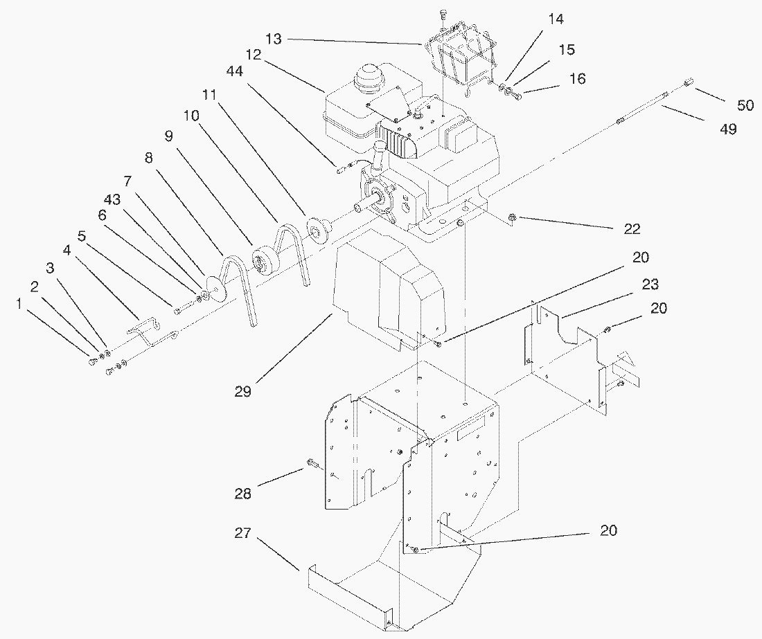
Pos.
Bezeichnung
Ersatzteilnummer
1
Schraube
3210-3
2
Federring
3253-4
3
Scheibe
3256-23
4
Riemenfšhrung
95-7917
5
Schraube
3212-8
6
Federring
3253-6
7
Riemenscheiben-Haelfte
62-0940
8
Keilriemen
94-8803
9
Riemenscheibe
94-8849
10
Keilriemen
94-8812
11
Nabe
62-0920
12
13
Guard-Muffler (Only On: 38084)
94-2763
14
Scheibe
3256-49
15
Federring
3253-17
16
Screw-Self Tapping
93-8048
20
Schraube
32144-4
22
Mutter
32128-20
23
Plate-Back
94-8842-01
27
Abdeckblech
94-8844-01
28
Schraube
32144-14
29
Riemenabdeckung
94-8802
43
Scheibe
3256-41
44
Kappe
94-2782
49
Verlaengerung
289-34
50
Hutmutter
288-2
Gebrauchsanweisungen
Toro
Roth / TORO
Aufsitzmäher
Handgeräte
Kehrmaschinen
Schneefräsen
Zubehör
zweistufig
1332 PowerShift
1232 PowerShift
1132 PowerShift
1132
1028 PowerShift
924 PowerShift
828 PowerShift
824 PowerShift
824 XL
612/38066
612/38084
9900001
Starter
Motor Tecumseh (Modell
Vergaser Tecumseh
Holm & Betätigungen (Fortsetzung)
Holm & Betätigungen
Motor & Rahmen
unterer Antrieb
oberer Antrieb
Getriebegehäuse Nr. 74-1560
Trommel & Gehäuse (Fortsetzung)
Trommel & Gehäuse
8900001
7900001
824
724
624 PowerShift
622
521
3521
einstufig
Sauger/Bläser
Rasenmäher
Robin
Impressum
(C) by motoruf