Zurück zu
>
Roth / TORO
>
Handgeräte
>
Schneefräsen
>
zweistufig
>
521
>
622/38035
>
4000001
>
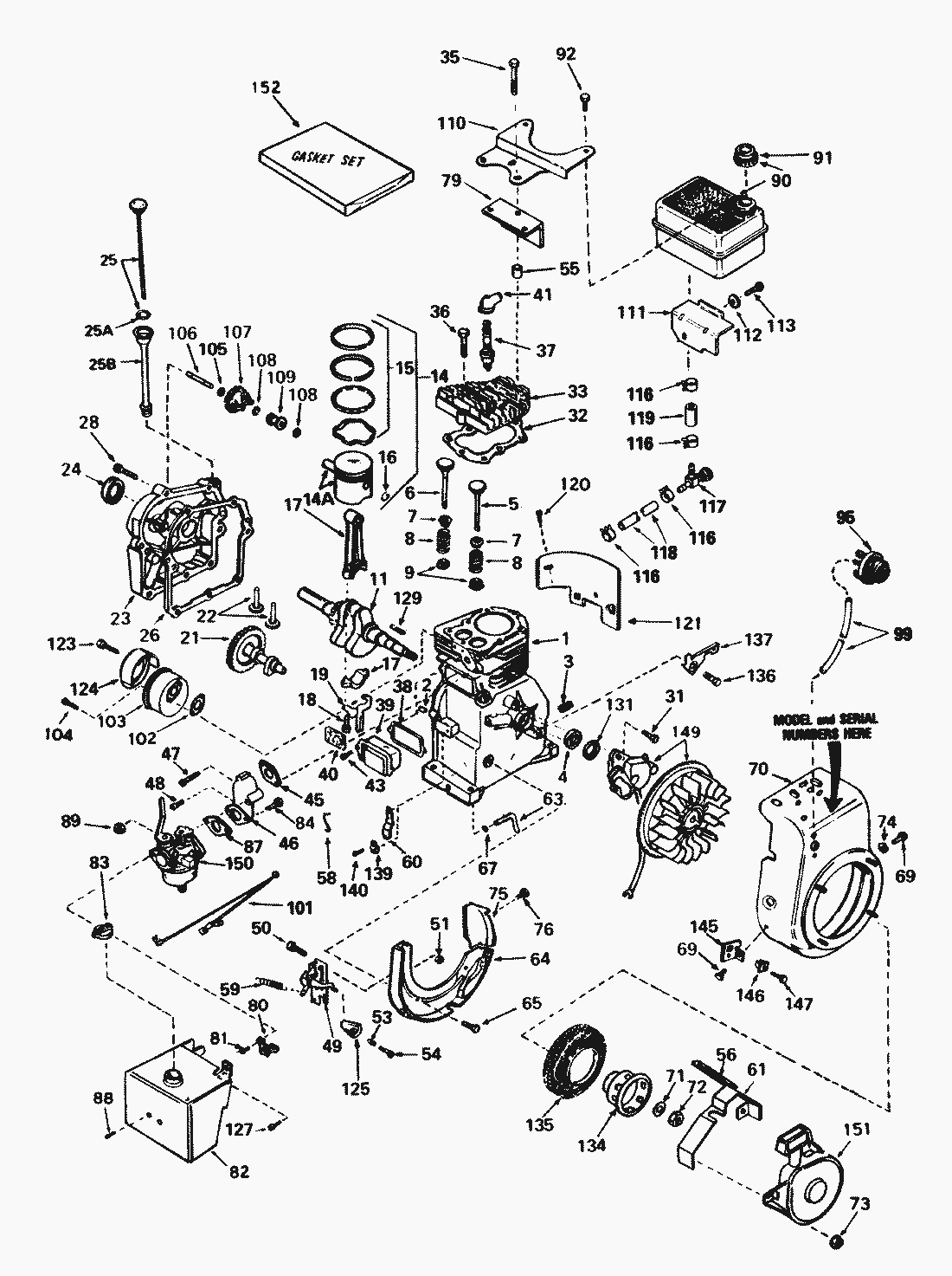
Motor Tecumseh (Modell H35-45582N) (Fortsetzung)
Ersatzteillisten für Toro Roth / TORO Motor Tecumseh (Modell H35-45582N) (Fortsetzung)
Pos.
Bezeichnung
Ersatzteilnummer
Gear Assy., Governor (Incl.
30591
Pos.
Bezeichnung
Ersatzteilnummer
104
Schraube
650493
105
Washer, Flat
30590A
106
Reglerbolzen
30574
108
Sicherungsring
29193
109
Spool, Governor
30588A
110
Bracket, Fuel Tank Mounting
28371B
111
Tankhalter
34182
112
Washer, Flat
650675
113
Screw, Hex Hd. w/Belleville Washer
650805
116
Klemme F.Benzinl.
26460
117
Valve, Fuel Shut-off
32961
118
Benzinleitung
30705
119
Leitung
29774
120
Schraube
650128
121
Extension, Blower Housing
29745
123
Schraube s
650665
124
Cover, Muffler
30997
125
Knob, Control
32410
127
Schraube
650765
129
Keil
610961
131
Dichtung
33876
134
Cup, Starter
34694
135
Screen, Starter
33668
136
Schraube
30200
137
Bracket, Hold Down
34212
139
Verbindungsstueck
31335
140
Screw, Hex Washer Hd.
650548
145
Bracket, Grommet Mounting
34126
146
Grommet, Plastic
28545
147
Screw, Pan Hd. Self-tap.
650643
149
Magneto (The complete magneto is not available as an assembly. The magneto number is shown for reference purposes only. Order
611030
150
Vergaser
632114
151
Starter Assy., Rewind
590473
152
Dichtungssatz
33233
Gebrauchsanweisungen
Toro
Roth / TORO
Aufsitzmäher
Handgeräte
Kehrmaschinen
Schneefräsen
Zubehör
zweistufig
1332 PowerShift
1232 PowerShift
1132 PowerShift
1132
1028 PowerShift
924 PowerShift
828 PowerShift
824 PowerShift
824 XL
824
724
624 PowerShift
622
521
622/38054
622/38035
9000001
8000001
7000001
6000001
5000001
4000001
Rücklaufstarter Nr. 590473
Zündspule Nr. 611030
Motor Tecumseh (Modell H35-45582N) (Fortsetzung)
Vergaser Nr. 632114
Motor Tecumseh (Modell H35-45582N)
Graderschild Modell 59099 (wahlw.)
Seiten-Schneidschiene Nr. 37-7020 (wahlw.)
Startermotor Modell 23-3790 (wahlw.)
Holm
Motor
Antrieb
Trommel (Fortsetzung)
Trommel
3521
einstufig
Sauger/Bläser
Rasenmäher
Robin
Impressum
(C) by motoruf