Zurück zu
>
Roth / TORO
>
Handgeräte
>
Schneefräsen
>
einstufig
>
CR 20 R
>
609/38110 C
>
0000001
>
Motor (Modell-Nr. 38110C)
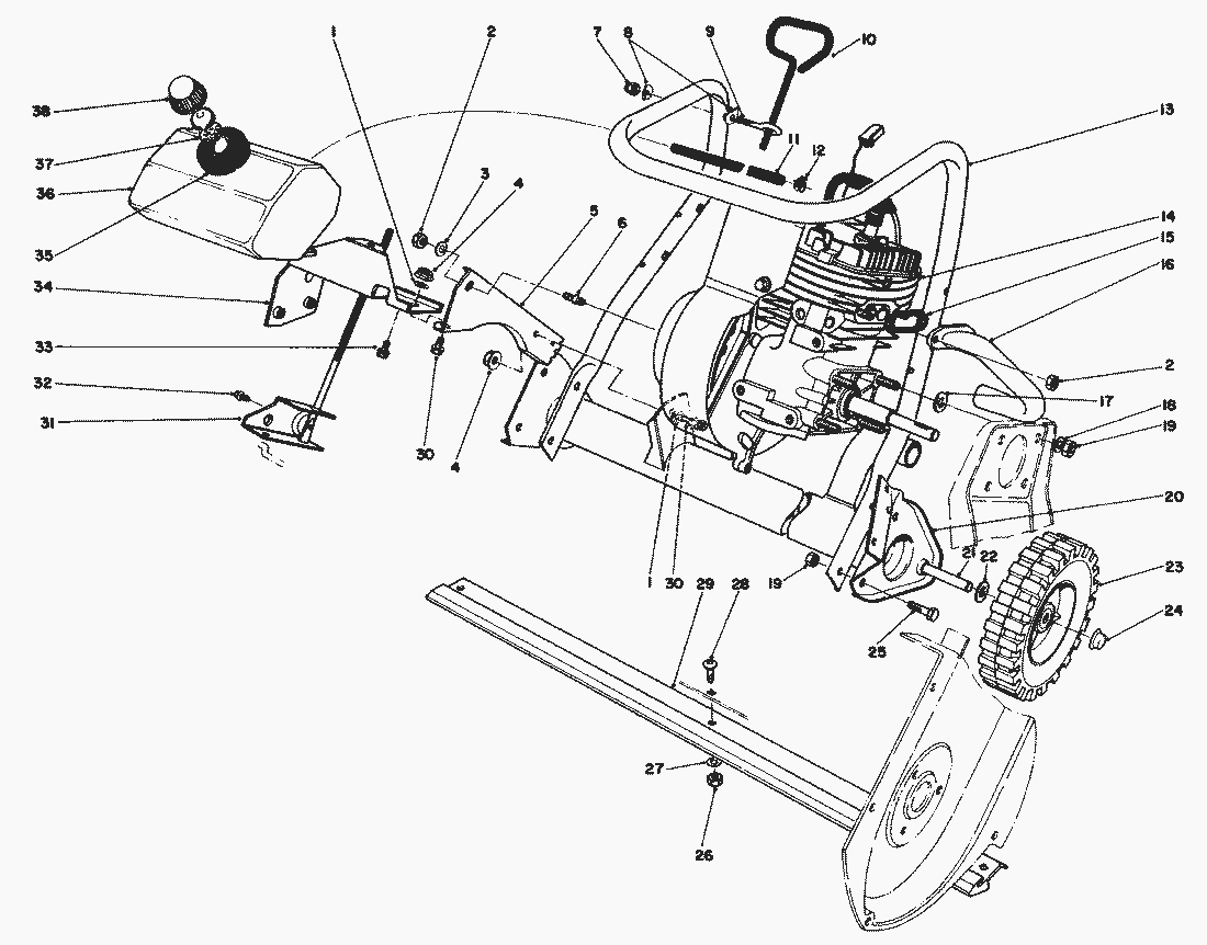
Ersatzteillisten für Toro Roth / TORO Motor (Modell-Nr. 38110C)
Pos.
Bezeichnung
Ersatzteilnummer
1
Scheibe
3290-244
2
Mutter
32152-4
3
Scheibe
7-3315
4
Nut-Flange
32128-30
5
Motorhalterung
49-1570
6
Stud
38-8710
7
Mutter
32111-7
8
Scheibe
3-7501
9
Augenschraube
52-7120
10
Rod-Vane Adjustment
49-1600
11
Fuel Line
49-2480
12
Clamp
2412-86
13
Lower Handle
49-1360
14
15
Dichtung
23-3810
16
Auslassrohr
52-7200
17
Scheibe
4-2390
18
Scheibe
3256-23
19
MUTTER
3296-29
20
Auspuff
49-1540
21
Achse
27-0060
22
Scheibe
3256-24
23
Rad
23-3250
24
Sicherungskappe
3290-320
25
Schraube
322-3
26
STOPMUTTER
3296-56
27
scheibe
3256-22
28
Innensechskantschraube
52-7130
29
Schuerfleiste
23-3170
30
Screw
3234-23
31
Halter
39-0840
32
Schraube
32144-1
33
Schraube
32144-4
34
Support-Gas Tank
49-1550
35
Schutzgummi
25-1610
36
Tank
39-8670
37
Dichtung
20-4620
38
Tankdeckel
42-0680
Loose Parts
12-4309
Gebrauchsanweisungen
Toro
Roth / TORO
Aufsitzmäher
Handgeräte
Kehrmaschinen
Schneefräsen
Zubehör
zweistufig
einstufig
Snow Commander
CCR 3650 GTS
CCR 3000
CCR 2450
CCR 2400
CCR 2000
CR 1000
CR 20
CR 20 R
609/38110 C
8000001
7000001
0000001
Rücklaufstarter Nr. 590537
Motor Tecumseh (Modell-Nr. AH-600 Typ 1623-N)
Vergaser Nr. 632142A
Startermotor & Schalter (Modell-Nr. 38115C)
Motor (Modell-Nr. 38115C)
Motor (Modell-Nr. 38110C)
Rotor
unterer Rahmen
Abdeckung & Holm
S 620
S 200
CCR Powerlite
Sauger/Bläser
Rasenmäher
Robin
Impressum
(C) by motoruf