Zurück zu
>
Roth / TORO
>
Handgeräte
>
Schneefräsen
>
zweistufig
>
1132
>
610/38160
>
0000001
>
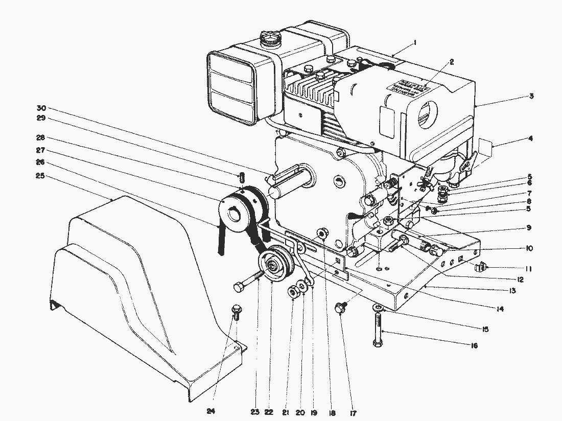
Motor (Modell 38150)
Ersatzteillisten für Toro Roth / TORO Motor (Modell 38150)
Pos.
Bezeichnung
Ersatzteilnummer
1
Decal Hazards Caution
29-6380
2
Decal Hot Surface Warning
29-6390
3
Engine
221-600
4
Choke Decal
29-6400
5
MUTTER
3296-29
6
Federring
3254-2
7
Federring
3254-10
8
Locknut
3296-1
9
Rohrverlaengerung
289-20
10
Oelablasschraube
288-4
11
Retained Nut
3290-398
12
Schraube
3231-27
13
Engine Base
22-9030
14
Bracket Belt Idler
22-7960
15
Scheibe
3256-23
16
Schraube
322-9
17
Schraube
32144-15
18
Mutter
3290-357
19
Riemenfuehrung
8-8830
20
Scheibe
3256-25
21
Hex Locknut
32146-2
22
Riemenspannscheibe
244-63
23
Schraube
323-8
24
Schraube
32144-10
25
Keilriemenschutz
17-6550
26
Keilriemen
26-9670
27
Engine Pulley
21-4100
28
Keilriemen
17-6540
29
Set Screw
3246-14
30
Keil
5-0930
Decal Replacement Serial Plate
25-9150
Gebrauchsanweisungen
Toro
Roth / TORO
Aufsitzmäher
Handgeräte
Kehrmaschinen
Schneefräsen
Zubehör
zweistufig
1332 PowerShift
1232 PowerShift
1132 PowerShift
1132
610/38160
9000001
7000001
6000001
5000001
4000001
3000001
2000001
1000001
0000001
Graderschild Modell 59099
Auswurf Verlängerung 26-1100
Wetterschutz (Modell-Nr. 12-8100)
12 V Anlasser 37-4640
Starter Motor Modell-Nr. 37-4630 (8 H.P. & 11 H.P. Schneefräse)
Motor Modell-Nr. 252416 Typ Nr. 0190-01 (Fortsetzung)
Motor Modell-Nr. 252416 Typ Nr. 0191-01 (11 H.P. Schneefräse B&S)
Motor Modell-Nr. 252416 Typ Nr. 0190-01 (11 H.P. Schneefräse B&S)
Motor Modell-Nr. 252416 Typ Nr. 0190-01(11 H.P. Schneefräse B&S)
Motor Modell-Nr. 190402 Typ 0989-01 (Fortsetzung)
Motor Modell-Nr. 190402 Typ 0989-01 (8 H.P. Schneefräse Modell 3B&S)
Motor Modell-Nr. 190502 Typ 0989-01 (8 H.P. Schneefräse Modell 3B&S)
Holm
Holm (Fortsetzung)
Motor (Modell 38160)
Motor (Modell 38150)
Rad
Antrieb (Fortsetzung)
Trommel (Fortsetzung)
Antrieb
Trommel
1028 PowerShift
924 PowerShift
828 PowerShift
824 PowerShift
824 XL
824
724
624 PowerShift
622
521
3521
einstufig
Sauger/Bläser
Rasenmäher
Robin
Impressum
(C) by motoruf