Zurück zu
>
Roth / TORO
>
Handgeräte
>
Rasenmäher
>
Elektro
>
150
>
280000
>
Mäher
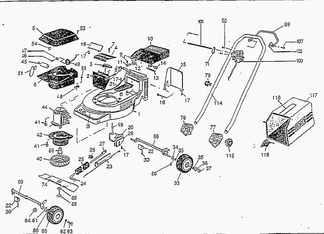
Ersatzteillisten für Toro Roth / TORO Mäher
Pos.
Bezeichnung
Ersatzteilnummer
1
GEHAEUSE KPL.
18175
2
Griffschale
18342
3
GRIFF
18343
4
Griffdeckel
18345
5
HAUBE
18276
6
MOTORGEHAEUSE F. 150
18275
7
Schraube
18346
8
Stift
18344
9
Schraube
18481
10
AUSWURFKLAPPE
18313
11
Haltelasche
18311
12
Schenkelfeder
18312
13
Holmschraube-Rechts
18309
14
Holmlagerbuchse
18460
15
TRENNWAND
18302
16
Leitblech
18301
17
FORMSCHRAUBE
12393
18
Holmschraube-Links
18310
19
STELLSTREBE
18307
20
Achsschraube Lang
18308
21
RIEMENABDECKUNG
18314
22
Achshalter
19295
23
Deflektor Rechts Vorne
19338
24
Sicherungskappe
18867
25
FEDERABDECKUNG
18339
26
ZEIGER
18355
27
Verbindungsstange
18305
28
Raste
18306
30
SCHRAUBE
18587
31
Klebeschild
18448
33
Rad
18577
34
ABDECKSCHEIBE
03951
35
Gleitlager
07542
36
SCHEIBE
13853
37
STOPMUTTER
10988
40
GEBLAESERAD
10703
41
SCHRAUBE
13317
42
Luftleitring
18277
44
E- MOTOR
19332
45
KONDENSATOR
13401
46
Schraube
18884
47
ZUGENTSLASTUNGSSCHELLE
19296
48
STECKVERTEILER
11839
49
Adapter
18958
50
SCHRAUBE
13605
51
RUNDGUMMI
13528
53
Schraube
19159
54
Klemme
18664
59
Hinterachse
19294
60
Vorderachse
19275
61
SCHEIBE
18454
62
Radlager
18459
63
RADBOLZEN
18453
64
MUTTER
18455
65
Vorderrad
18304
66
MESSERNABE
18875
68
MESSERSCHRAUBE
07463
69
MITNEHMERBLECH
07468
71
ZUGENTLASTUNG
19286
74
Messer
18317
76
HOLMBEFESTIGUNG RECHTS
18319
77
HOLMBEFESTIGUNG LINKS
18318
79
KLETTBAND
19478
80
Wellenscheibe
18868
99
SCHALTBUEGEL F.150+105
19298
100
SCHALTER KOMPL.
19531
101
VERBINDUNGSROHR F. 150
18962
102
Halterung F. Schaltbuegel
19095
107
LINSEN-BLECHSCHRAUBE
18923
114
Fuehrungsholm Kompl.
18854
115
Drehknopf
18320
116
Rahmen
18321
117
Grasfangsack
18322
118
Entnahmelippe
18323
Gebrauchsanweisungen
Toro
Roth / TORO
Aufsitzmäher
Handgeräte
Kehrmaschinen
Schneefräsen
Sauger/Bläser
Rasenmäher
Grasfangvorrichtungen
4-Takt Radantrieb
4-Takt
2-Takt Radantrieb
2-Takt
Elektro
170
155
150
350000
340000
320000
310000
300000
290000
280000
Mäher
270000
140
134
125
105
104
103
102
Akku
Robin
Impressum
(C) by motoruf