Zurück zu
>
Roth / TORO
>
Handgeräte
>
Rasenmäher
>
Elektro
>
103
>
280000
>
Mäher
Ersatzteillisten für Toro Roth / TORO Mäher
Ersatzteilliste 1
Ersatzteilliste 2
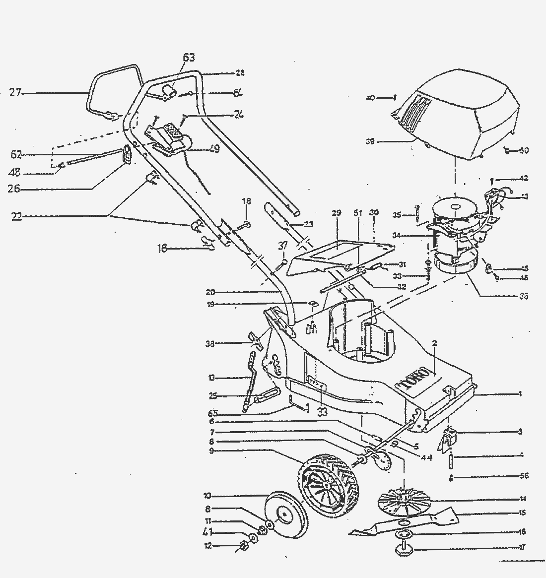
Pos.
Bezeichnung
Ersatzteilnummer
1
MAEHERGEHAEUSE
17231
2
KLEBESCHILD
19277
3
DRUCKTASTE
11476
4
DRUCKFEDER
11611
5
RADACHSE
19279
6
ZUGFEDER
11613
7
ZEIGER
17224
8
ANLAGESCHEIBE
11717
9
RAD
19251
10
SCHUTZSCHEIBE
19254
11
FEDER
11615
12
SICHERUNGSMUTTER
10365
13
ZEIGER
17225
14
MESSERAUFNAHME
11650
15
MESSER
11634
16
MITNEHMERBLECH
07468
17
MESSERSCHRAUBE
07463
18
* HOLMVERSCHRAUBUNG KPL.
13474
19
WELLENSICHERUNG
11830
20
SCHIEBESTANGE U.T. RE.
19564
21
TYPENSCHILD
19278
22
KLETTBAND
19533
23
SCHIEBESTANGE U.T. LI.
19563
24
SCHRAUBE
13605
25
HEBEL
17300
26
ZUGENTLASTUNG
19286
27
SCHALTBUEGEL F. 103
19284
28
SCHIEBESTANGE-OBERTEIL
19241
29
KLEBESCHILD
18885
30
AUSWURFKLAPPE
18052
31
SCHENKELFEDER
11619
32
ACHSE FUER AUSWURFKLAPPE
17235
33
DUEBEL
12436
34
ELEKTROMOTOR
19280
35
SCHRAUBE
11628
36
LUEFTERKRAGEN
19281
37
KOPFSCHRAUBE
12836
38
FLUEGELMUTTER
17365
39
MOTORHAUBE
17230
40
SCHRAUBE
11631
41
SCHEIBE
03660
42
SCHRAUBE
11838
43
STECKVERTEILER
11839
44
KLAMMER
19473
45
ZUGENTLASTUNG
10105
46
SCHRAUBE
11646
48
KUNSTSTOFFNIETE
11880
49
SCHALTER KOMPL.
19532
58
KUNSTSTOFFNIETE
11880
60
SCHRAUBE
11908
61
SICHERUNGSFEDER
17246
62
VERBINDUNGSROHR F. 102
18791
63
HALTERUNG F. SCHALTBUEGEL
18883
64
LINSEN-BLECHSCHRAUBE
18923
65
BUEGEL
11898
Pos.
Bezeichnung
Ersatzteilnummer
50
TRAGEGRIFF
11353
51
ACHSROHR
11352
52
GRASFANGSACK
11354
55
BLECHSCHRAUBE
11695
56
FEDERMUTTER
11355
57
DECKEL
11658
Gebrauchsanweisungen
Toro
Roth / TORO
Aufsitzmäher
Handgeräte
Kehrmaschinen
Schneefräsen
Sauger/Bläser
Rasenmäher
Grasfangvorrichtungen
4-Takt Radantrieb
4-Takt
2-Takt Radantrieb
2-Takt
Elektro
170
155
150
140
134
125
105
104
103
300000
290000
280000
Mäher
102
Akku
Robin
Impressum
(C) by motoruf