Zurück zu
>
Roth / TORO
>
Handgeräte
>
Rasenmäher
>
2-Takt Radantrieb
>
222/16212 WG
>
0000001
>
Kurbelwelle (Modell-Nr. 47PK9)
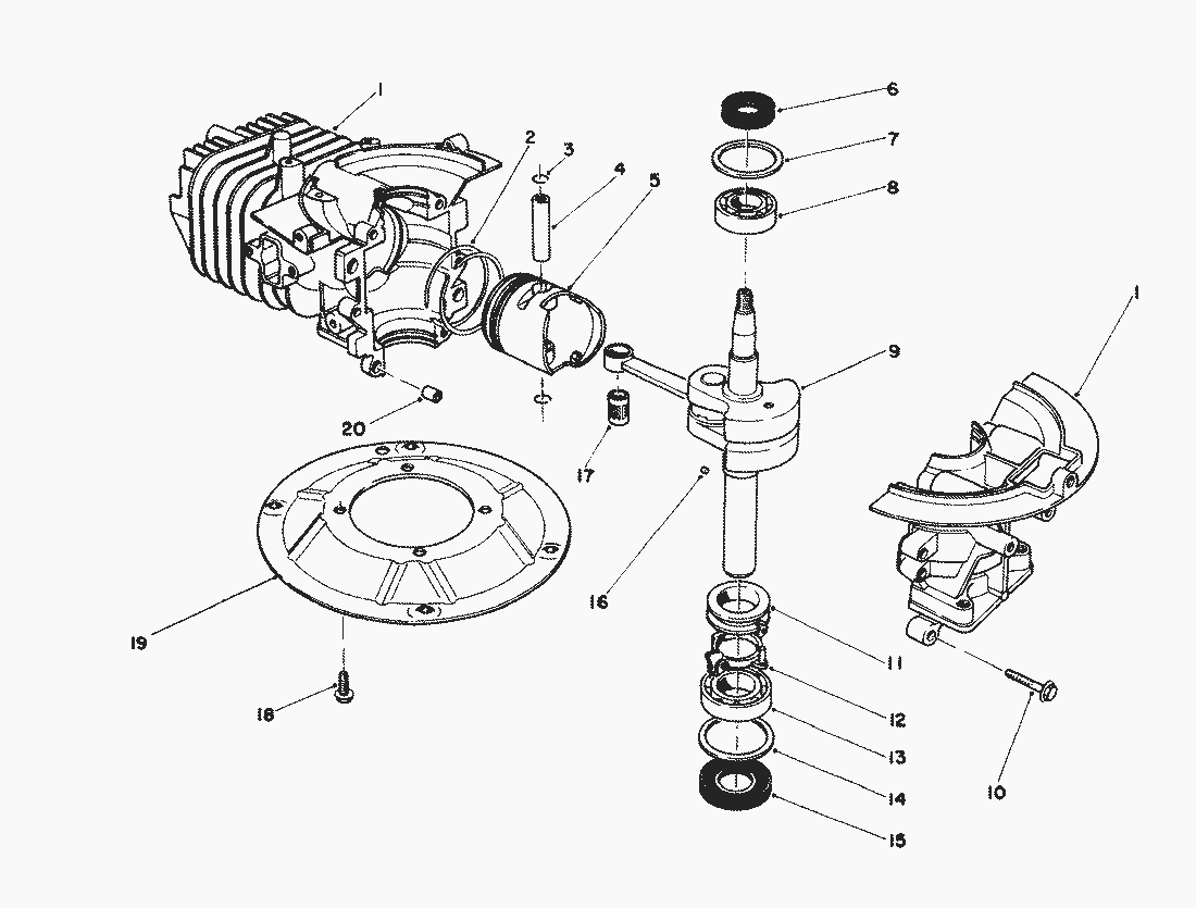
Ersatzteillisten für Toro Roth / TORO Kurbelwelle (Modell-Nr. 47PK9)
Pos.
Bezeichnung
Ersatzteilnummer
1
KURBELGEH. MIT ZYLINDER
81-2800
2
KOLBENRINGSATZ
81-0590
3
SICHERUNG
81-0620
4
KOLBENBOLZEN
81-0600
5
KOLBEN
81-0580
6
SIMMERRING
81-0720
7
SCHEIBE
81-0710
8
LAGER
81-0690
9
KURBELWELLE INNENGEWINDE
81-4600
10
SCHRAUBE
81-0540
11
REGLERRING
81-0770
12
REGLERHALTER
81-0750
13
LAGER
81-0700
14
SCHEIBE
81-0730
15
SIMMERRING
81-0740
16
STIFT
81-0760
17
PLEUELLAGER
81-0610
18
SCHRAUBE
81-0570
19
MOTORPLATTE
81-0560
20
STIFT
81-0520
2-TAKT-MOTOR OHNE TANK
12-7699
Gebrauchsanweisungen
Toro
Roth / TORO
Aufsitzmäher
Handgeräte
Kehrmaschinen
Schneefräsen
Sauger/Bläser
Rasenmäher
Grasfangvorrichtungen
4-Takt Radantrieb
4-Takt
2-Takt Radantrieb
295/26643
295/26643 B
295/26640 BC
295/26640 B
287/20916B
277
255/22700 BC
255/22700
239
237/22045
237/22045 B
237/22044 BC
237/22036
237/22035
234
224
222/16212 WG
0000001
Auspuff (Modell-Nr. 47PK9)
Vergaser (Modell-Nr. 47PK9)
Regler (Modell-Nr. 47PK9)
Starter (Modell-Nr. 47PK9)
Zündung (Modell-Nr. 47PK9)
Kurbelwelle (Modell-Nr. 47PK9)
Fangvorrichtung Nr. 29-9750 (wahlw.)
Fangvorrichtung Nr. 47-6510 (wahlw.)
Holm
Getriebegehäuse (Fortsetzung)
Getriebegehäuse
Bremse
Motor
Gehäuse (Fortsetzung)
Gehäuse
2-Takt
Elektro
Akku
Robin
Impressum
(C) by motoruf