Zurück zu
>
Roth / TORO
>
Aufsitzmäher
>
Traktor
>
265 H
>
504/72064
>
7900001
>
Kurbelgehäuse
Ersatzteillisten für Toro Roth / TORO Kurbelgehäuse
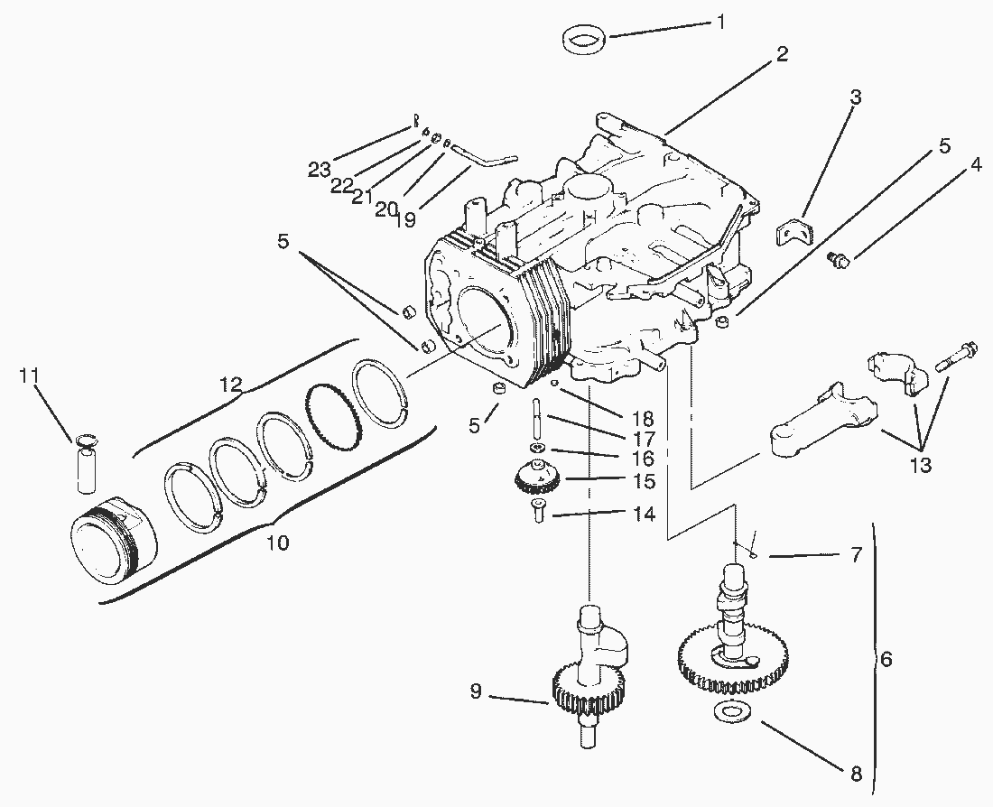
Pos.
Bezeichnung
Ersatzteilnummer
1
Seal-Crankshaft
1203203
2
Block-Short
1252218
3
Strap-Lifting
1244502
4
Schraube
M-0839025
5
Dowel-Locating
1238003
6
Kit-Camshaft INC 7-8
1275549
7
Spring-Actuating
1208918
8
Shim-Camshaft A/R
1242207
8
Shim-Camshaft A/R
1242208
8
Shim-Camshaft A/R
1242209
8
Shim-Camshaft A/R
1242210
8
Shim-Camshaft A/R
1242211
8
Shim-Camshaft A/R
1242212
8
Shim-Camshaft A/R
1242213
9
Shaft-Balance
1214427
10
Piston ASM STD Incl 11-2
1287407
10
Piston ASM .25 Incl 11-2
1287408
10
Piston ASM .50 Incl 11-2
1287409
11
Retainer-Piston Pin
1201802
12
Ring Set STD
1201807
12
Ring Set .25
1201808
12
Ring Set .50
1201809
13
Rod Connecting STD
1206705
13
Rod Connecting .25
1206706
14
Pin-Governor Regulating
1238001
15
Gear-Governor ASM
1204305
16
Washer-Governor
M-0631005
17
Shaft-Governor Gear
1214402
18
Plug-Cup
5213909
19
Shaft-Governor Cross
1275564
20
Washer-Governor Shaft
M-0631015
21
Seal-Governor Shaft
1203201
22
Scheibe
X-25-102
23
Pin-Governor Hitch
1215405
Gasket Set
1272259
Gebrauchsanweisungen
Toro
Roth / TORO
Aufsitzmäher
Traktor
264-6
246 HE
244-5
212-H
212-5
17-44 HXLE
16-44 HXL
16-38 HXL
16-38 XLE
15-44 HXL
15-38 HXL
14-38 HXL
14-38 XL
13-38 HXL
13-38 XL
13-32 XLE
12-38 HXL
12-38 XL
12-32 XL
264 H
265 H
504/72064
6900001
7900001
Haube mit Grill
Armaturenbrett
Lenkrad mit Verstellung
unterer Lenkung
Vorderachse
Sitz
Kotflügel & Fußauflage
Kraftstofftank & Hydrauliktank
Einzylinder Motor, Auspuff & Zapfwelle
Kupplung
Batterie
Haubenhalter & Hitzeschutz
Aushubhebel & Schnitthöhe
Rahmen
Hydraulik Antrieb
Hydraulik Bremse
Hydraulik Betätigung
Hydraulik-Getriebeachse
Hinterrad
Kurbelwelle
Kurbelgehäuse
Ölwanne, Schmierung
Zylinderkopf, Ventil, Entlüftung
Zündung, Elektrik
Gebläsegehäuse & Leitbleche
Starteinrichtung
Kraftstoffsystem
Motor Betätigungen
Lufteinlaß/Filter
Auspuff
Getriebeachs-Gehäuse
Mittleres Gehäuse
Pumpenwelle
Motorwelle
Schaltwelle
Bypass
Dämpfer
Neutralzentrierung
Bremssicherung
Differentialgetriebe
Ritzel
Getriebewelle
Bremse
8900001
8900600
504/72070
267 H
268 H
270 H
520 xi
520 Lxi
523 Dxi
Rider
Mähwerke
Zubehör
Handgeräte
Robin
Impressum
(C) by motoruf