Zurück zu
>
Roth / TORO
>
Handgeräte
>
Rasenmäher
>
4-Takt
>
452
>
320000
>
Hinterachse
Ersatzteillisten für Toro Roth / TORO Hinterachse
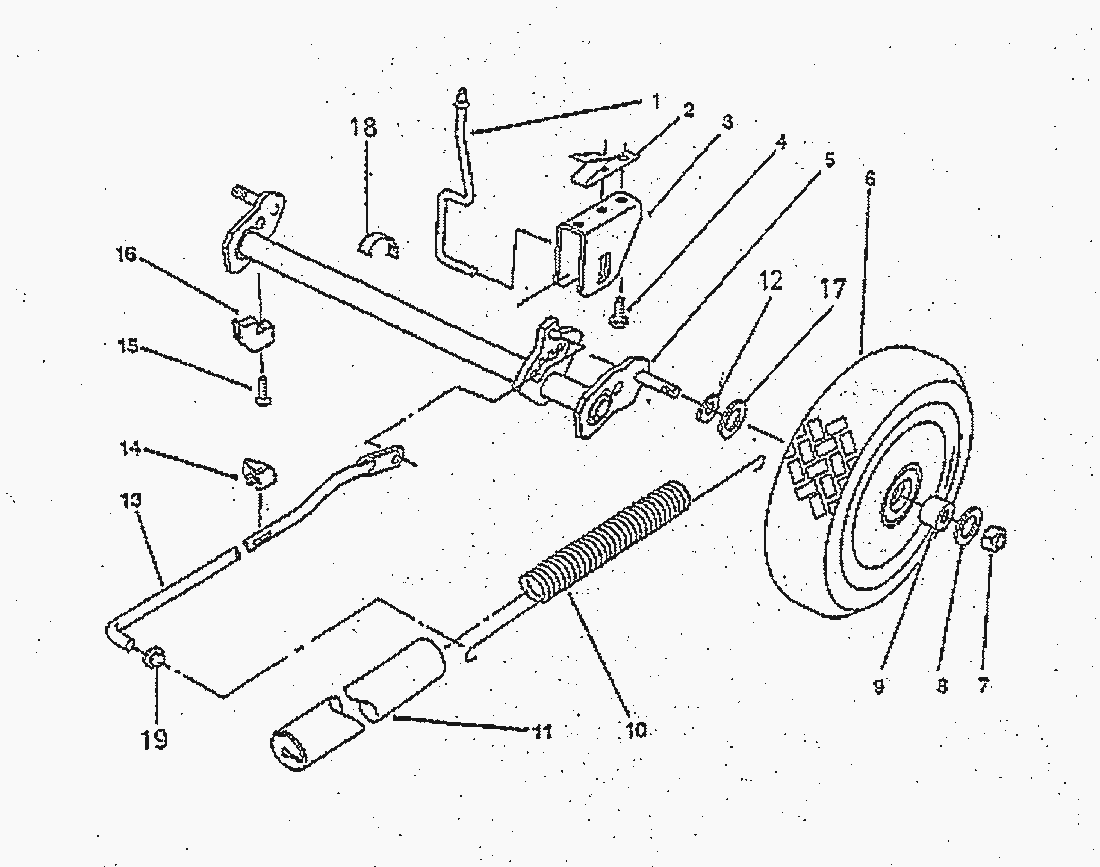
Pos.
Bezeichnung
Ersatzteilnummer
1
STELLSTREBE
20009
2
Achsschraube Lang
18308
3
Raste
18306
4
FORMSCHRAUBE
12393
5
Hinterachse
19294
6
Rad
18577
6
RAD HINTEN
19443
7
STOPMUTTER
10988
8
SCHEIBE
13853
9
GLEITLAGER
7542
10
AUSGLEICHSFEDER
18338
11
FEDERABDECKUNG
18339
12
ABDECKSCHEIBE
3951
13
Verbindungsstange
18305
14
ZEIGER
18355
15
SCHRAUBE
18587
16
ACHSHALTER
19584
17
Wellenscheibe
18868
18
LAGERSCHALE HINTEN
19586
19
Sicherungskappe
18867
Gebrauchsanweisungen
Toro
Roth / TORO
Aufsitzmäher
Handgeräte
Kehrmaschinen
Schneefräsen
Sauger/Bläser
Rasenmäher
Grasfangvorrichtungen
4-Takt Radantrieb
4-Takt
486/20904 BC
486/20903 B
486/20902 B
486/20901 B
486/20900
478
476
455/20803
455/20803 B
455/20802 BC
455/20801 B
452
330000
320000
Fangkorb
Motor B&S
Schaltbügel
Führungsholm
Hinterachse
Messergruppe
Motor
Fahrgestell
438
433
423
414/20814
414/20805
412
411
408
400
2-Takt Radantrieb
2-Takt
Elektro
Akku
Robin
Impressum
(C) by motoruf