Zurück zu
>
Roth / TORO
>
Aufsitzmäher
>
Rider
>
12-32 E
>
376/70141
>
59000001
>
Hinterachse
Ersatzteillisten für Toro Roth / TORO Hinterachse
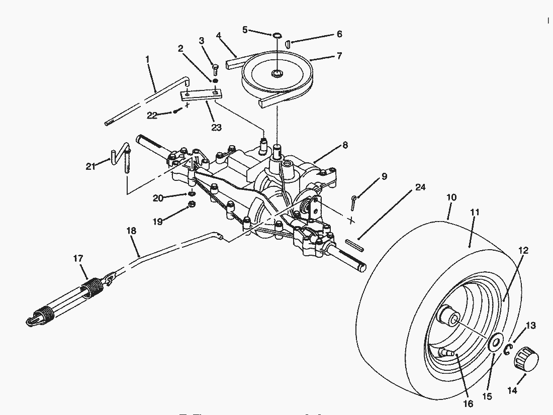
Pos.
Bezeichnung
Ersatzteilnummer
1
Gestaenge
92-0889
2
Federring
3253-3
3
Screw-Cap Hex. Hd.
329-4
4
Riemen
92-0870
5
Ring
32120-64
6
Keil
3257-23
7
Riemenscheibe
92-0874
8
Schaltgetriebe
92-0862
9
Splint
3272-16
10
Reifen
231-117
11
Schlauch
232-39
12
Felge
88-9730
13
Seegerring
32151-48
14
Abdeckung
61-9780
15
Scheibe
28-2480
16
Ventil
232-27
17
Bremsfeder
57-9940
18
Gestaenge
92-0872
19
MUTTER
3296-29
20
Federring
3254-2
21
Riemenfuehrung
92-0899
22
Splint
3272-6
23
Schaltarm
92-0880
24
Keil
7-0036
Gebrauchsanweisungen
Toro
Roth / TORO
Aufsitzmäher
Traktor
Rider
HMR 1600
12-32 E
376/70141
59000001
Motor B&S (Modell 283707-0160-01)
Peerlesss Getriebeachse Modell-Nr. 915-019
Mäher -Recycler
Ständer
Hinterachse
Motor
Getriebegestänge
Sitz
Sitz & Seitenverkleidung
Gestänge
Lenkrad, Schalter & Schilder
Bremse & Kupplung
Vorderachse
Lenksäule
49000001
12-32
11-32
10-32 E
8-25
110-4E
110-4
Mähwerke
Zubehör
Handgeräte
Robin
Impressum
(C) by motoruf