Zurück zu
>
Roth / TORO
>
Handgeräte
>
Rasenmäher
>
4-Takt Radantrieb
>
498/26638
>
8900001
>
Getriebegehäuse
Ersatzteillisten für Toro Roth / TORO Getriebegehäuse
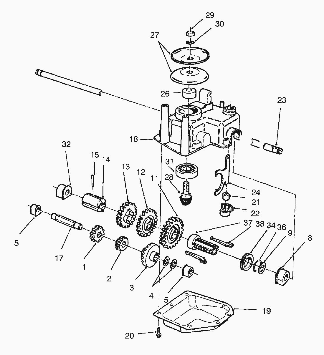
Pos.
Bezeichnung
Ersatzteilnummer
1
Zahnrad
55-3800
2
Zahnrad
55-3780
3
Gear-Pinion 15T
55-3760
4
Lagerscheibe
36-4791
5
Buechse
60-8750
8
Buechse
60-8770
9
Scheibe
36-4780
11
Zahnrad
55-3770
12
Zahnrad
55-3790
13
Zahnrad
55-3810
14
Mitnehmerwelle
60-8790
15
Stift
32121-120
17
Shaft-Intermediate
60-8800
18
Getriebegehaeuse
60-8710
19
Cover-Gear Case
60-8730
20
Schraube
49-2040
21
Buchse
29-9570
22
Mitnehmer
60-8810
23
Welle
65-4770
24
Schaltklaue
60-8870
26
Distanzstueck
62-6660
27
Pulley-Half
60-8840
28
Pinion-Bevel
60-8890
29
Stopmutter
3296-5
30
Scheibe
3256-24
31
Kugellager
38-7820
32
Buechse
60-8850
34
Schaltring
76-0770
36
Sicherungsring
65-5250
37
Zahnwelle
76-0780
38
Schiebekeil
76-0760
Getriebe Kpl.
62-6673
Gebrauchsanweisungen
Toro
Roth / TORO
Aufsitzmäher
Handgeräte
Kehrmaschinen
Schneefräsen
Sauger/Bläser
Rasenmäher
Grasfangvorrichtungen
4-Takt Radantrieb
498/26638
8900001
Motor GTS-200
Holmbetätigung
Getriebegehäuse
Hinterachse
Fangkorb
Holm
Messer-Kupplung
Motor
Gehäuse
498/26633
498/26633 B
498/26631 B
496/26639
496/26636
496/26636 B
496/26635 BC
496/26625 BG
495/26637
495/26632
495/26632 B
495/26630 BC
495/26630 BG
495/26620 BG
494/20784
494/20791
493/20783
493/20789
492/20787
492/20778
491/20786
491/20777
491/20328 B
490/20327 B
489/20927 B
489/20926 B
489/20925
488/20920
487/20914
487/20909 BC
487/20905
479
477
469
465/20781
465/20779
464
459/20824
459/20821
459/20821 B
459/20820 BC
458/20823
458/20822
457
456/20808
456/20808 B
456/20807 BC
456/20806 B
455/20803
455/20803 B
455/20802 BC
455/20801 B
453
449
439
437/22173
437/22157
437/22154
437/22154 B
437/22153 BC
434
424
421/20652
417/20832
417/20829
417/20827
416/20831
416/20828
416/20826
415/20817
415/20811
4-Takt
2-Takt Radantrieb
2-Takt
Elektro
Akku
Robin
Impressum
(C) by motoruf