Zurück zu
>
Roth / TORO
>
Handgeräte
>
Rasenmäher
>
4-Takt Radantrieb
>
496/26625 BG
>
1000001
>
Getriebegehäuse
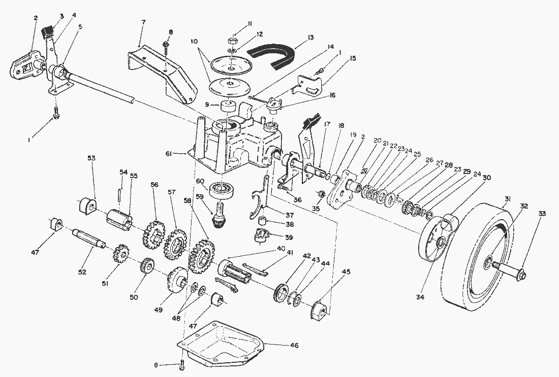
Ersatzteillisten für Toro Roth / TORO Getriebegehäuse
Pos.
Bezeichnung
Ersatzteilnummer
Wheel, Tire & Gear Assy. (Incl. Ref.
11-9519
Pos.
Bezeichnung
Ersatzteilnummer
1
Schraube
32144-70
2
Hoeheneinstellhebel
65-5042
3
Hebelknopf
25-7740
4
Stellhebel
65-5440
5
Kappe
66-0360
7
Bracket-Belt Guide
65-5190
8
Schraube
49-2040
9
Distanzstueck
62-6660
10
Pulley-Half
60-8840
11
Stopmutter
3296-5
12
Scheibe
3256-24
13
V-Belt
66-0210
14
Splint
3272-5
15
Klemme
76-2930
16
Schaltfinger
76-0920
17
Welle
65-4770
18
O-Ring
237-153
19
Buechse
47-2900
20
Schmiernippel
302-56
21
Nadellager
48-2060
22
Druckscheibe
65-4730
23
Druckscheibe
65-4740
24
Sicherungsring
65-2720
25
Gummiring
65-4710
26
Kupplungsscheibe
65-4760
27
Freilaufsperre Li.
66-6050
Freilaufsperre Re.
66-6040
28
Antriebsritzel
65-4750
29
Feder
65-4720
30
Radabdeckung
74-1660
32
Buchse
27-6250
33
Radbolzen
27-6231
34
Distanzscheibe
74-1670
35
Stopmutter
3296-6
36
Schraube
65-5220
37
Schaltklaue
60-8870
38
Buchse
29-9570
39
Mitnehmer
60-8810
40
Zahnwelle
76-0780
41
Schiebekeil
76-0760
42
Schaltring
76-0770
43
Sicherungsring
65-5250
44
Scheibe
36-4780
Gebrauchsanweisungen
Toro
Roth / TORO
Aufsitzmäher
Handgeräte
Kehrmaschinen
Schneefräsen
Sauger/Bläser
Rasenmäher
Grasfangvorrichtungen
4-Takt Radantrieb
498/26638
498/26633
498/26633 B
498/26631 B
496/26639
496/26636
496/26636 B
496/26635 BC
496/26625 BG
1000001
Auspuff (Motor Nr. VML0-5)
Starter (Motor Nr. VML0-5)
Luftfilter & Kraftstofftank (Motor Nr. VML0-5)
Vergaser (Motor Nr. VML0-5)
Regler (Motor Nr. VML0-5)
Zündspule & Schwungrad (Motor Nr. VML0-5)
Kurbelgehäuse (Fortsetzung)
Kurbelgehäuse (Motor Nr. VML0-5)
Seitauswurf Modell-Nr. 59112 (wahlw.)
Fangkorb (Modell 26625B Serien-Nr. 1000363-& höher Modell 26625BG Serien-Nr.1000301 & höher)
Fangkorb (Modell 26625B Serien-Nr. 1000101-1000362 Modell 26625BG Serien-Nr. 1000101-1000300)
Antrieb Betätigung
Holm
Getriebegehäuse (Fortsetzung)
Getriebegehäuse
StarterMotor
Messer
Motor
Gehäuse (Fortsetzung)
Gehäuse
495/26637
495/26632
495/26632 B
495/26630 BC
495/26630 BG
495/26620 BG
494/20784
494/20791
493/20783
493/20789
492/20787
492/20778
491/20786
491/20777
491/20328 B
490/20327 B
489/20927 B
489/20926 B
489/20925
488/20920
487/20914
487/20909 BC
487/20905
479
477
469
465/20781
465/20779
464
459/20824
459/20821
459/20821 B
459/20820 BC
458/20823
458/20822
457
456/20808
456/20808 B
456/20807 BC
456/20806 B
455/20803
455/20803 B
455/20802 BC
455/20801 B
453
449
439
437/22173
437/22157
437/22154
437/22154 B
437/22153 BC
434
424
421/20652
417/20832
417/20829
417/20827
416/20831
416/20828
416/20826
415/20817
415/20811
4-Takt
2-Takt Radantrieb
2-Takt
Elektro
Akku
Robin
Impressum
(C) by motoruf