Zurück zu
>
Roth / TORO
>
Aufsitzmäher
>
Traktor
>
16-44 HXL
>
393/71218
>
6900001
>
Getriebeachse
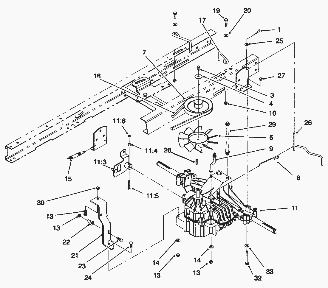
Ersatzteillisten für Toro Roth / TORO Getriebeachse
Pos.
Bezeichnung
Ersatzteilnummer
1
Stift
3290-307
3
Screw-Hex Hd. Cap
48-7620
4
Washer-Fender
3256-58
5
Windfluegel
93-3867
7
Riemenscheibe
93-3862
8
Gestaenge
92-8856
9
Strap-Torque
93-3872
10
MUTTER
3296-29
11
Differential
94-6946
113
Schaltarm
93-3870
114
Spacer-Lock
86-4270
115
Screw-Hex Hd. Cap
3274-59
116
Mutter
3296-12
13
MUTTER
3296-29
14
Scheibe
3256-23
15
Spring-Brake Return
26-6701
16
Schraube
322-3
17
Riemenfuehrung
93-3868
18
Riemen
93-3883
19
Schraube
322-5
20
Scheibe
5-4460
21
Bracket-Speed Control
93-3863
22
Flanschbuechse
65-5080
23
Schraube
3230-5
24
Schraube
3230-7
25
scheibe
3256-22
26
Gesteange
92-8857
27
MUTTER
3296-29
28
Keil
80-6090
29
Entlueftungsschlauch
94-1945
32
Schraube
322-12
33
Scheibe
3256-23
Gebrauchsanweisungen
Toro
Roth / TORO
Aufsitzmäher
Traktor
264-6
246 HE
244-5
212-H
212-5
17-44 HXLE
16-44 HXL
393/71218
8900001
7900001
6900001
Motor (B&S Modell 28Q777-0668-A)
Motor (B&S Modell 28Q777-0668-A1)
Batterie
Elektrik
Schnitthöhe
Geschwindigkeitsbetätigung
Hydraulik-Getriebeachse (Fortsetzung)
Hydraulik-Getriebeachse
Getriebeachse
Kupplung
Hinterachse
Motor
Lenkung
Vorderachse
Sitz
Haube
Rahmen
16-38 HXL
16-38 XLE
15-44 HXL
15-38 HXL
14-38 HXL
14-38 XL
13-38 HXL
13-38 XL
13-32 XLE
12-38 HXL
12-38 XL
12-32 XL
264 H
265 H
267 H
268 H
270 H
520 xi
520 Lxi
523 Dxi
Rider
Mähwerke
Zubehör
Handgeräte
Robin
Impressum
(C) by motoruf