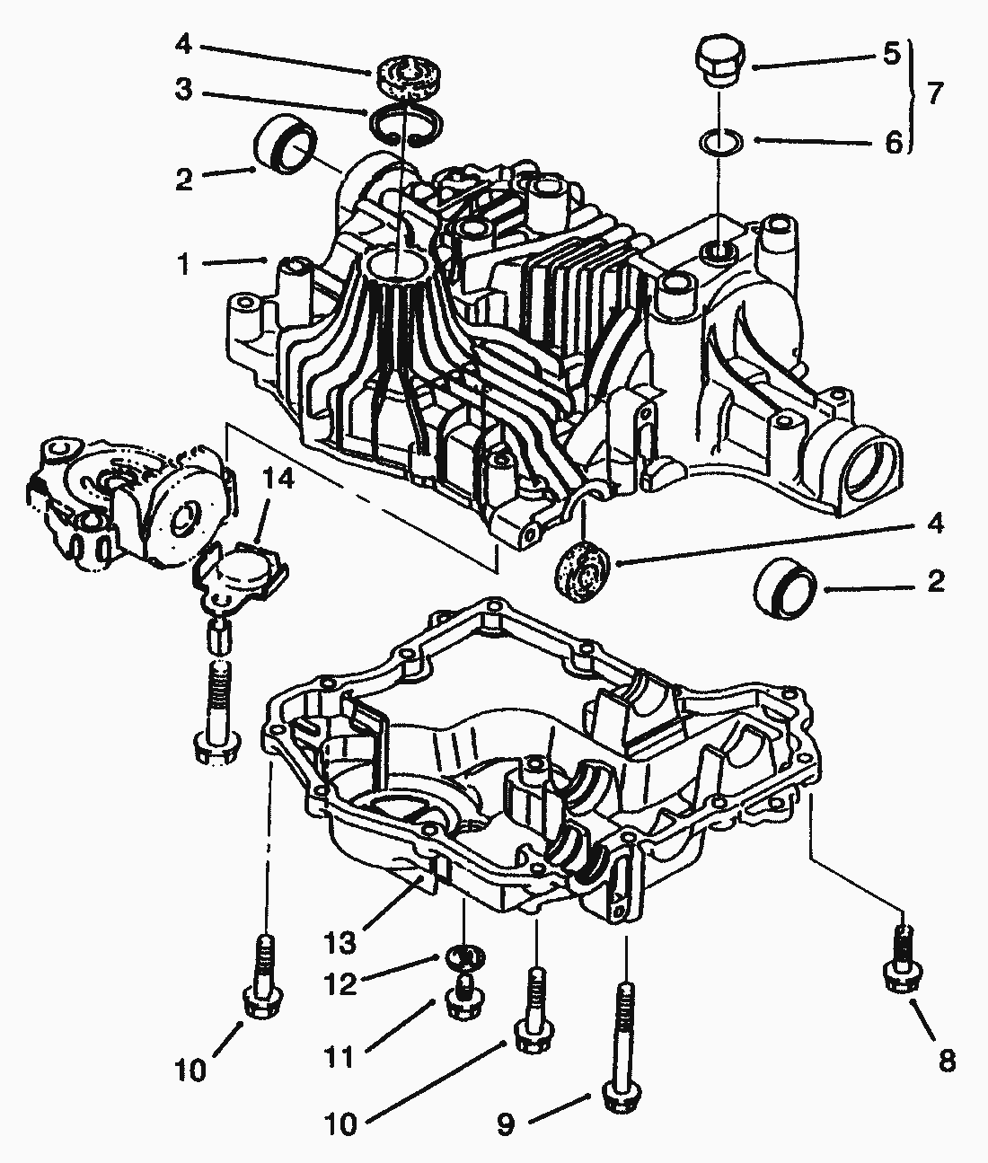
| Pos. | Bezeichnung | Ersatzteilnummer | |
| 1 | Getriebegehaeuse | 94-4206 |
| 2 | | |
| 3 | Seegerring | 93-0360 |
| 4 | Simmerring | 93-0361 |
| 5 | | |
| 6 | | |
| 7 | Plug/Packing INC 5-6 (Only On: 72083, 72043, 72103, 72063) | 93-0356 |
| 8 | Screw-TAP | 93-4363 |
| 9 | Bolt (Only On: 72083, 72043, 72103, 72063) | 93-0354 |
| 10 | Schraube | 93-0364 |
| 11 | Bolt (Only On: 72083, 72043, 72103, 72063) | 93-0362 |
| 13 | Case-Lower | 94-4207 |
| 14 | Magnet (Only On: 72083, 72043, 72103, 72063) | 93-0355 |