Zurück zu
>
Roth / TORO
>
Aufsitzmäher
>
Rider
>
8-25
>
372/70122
>
9900001
>
Getriebe & Gestänge
Ersatzteillisten für Toro Roth / TORO Getriebe & Gestänge
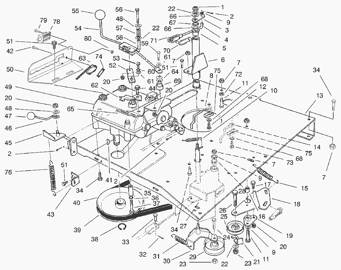
Pos.
Bezeichnung
Ersatzteilnummer
Bracket-Arm, Idler (Incl. Ref.
67-0360
Tube W.A.-Pivot (Incl. Ref.
67-0540-03
Pos.
Bezeichnung
Ersatzteilnummer
1
Mutter
3296-39
2
Splint
3272-6
3
Flat-Deck Engage
67-0690-03
4
Gestaenge
68-8370
5
Buechse
256-90
7
MUTTER
3296-29
8
Riemenfšhrung
99-2976
9
Scheibe
3256-23
10
Feder
26-6700
11
Schraube
322-6
12
Schraube
32144-49
13
Plate-Engine
76-4090-01
14
Riemenfuehrung
67-0940
15
Zugfeder
68-9950
16
Buechse
67-0410
17
Schraube
321-4
18
Keilriemenspanner
67-0420-03
19
Aufhaengung
67-0400
20
MUTTER
3296-42
21
Riemenfuehrung
12-9020
22
Scheibe
3256-24
23
Mutter
3296-59
24
Schraube
323-9
25
Riemenscheibe
12-5820
26
Schraube
323-8
28
Buechse
256-155
29
Spannrolle
56-9870
30
Keilriemenspanner
67-0330-03
31
Zugfeder
67-9170
32
Splint
3272-4
33
Bolzen
283-67
34
Schraube
322-3
35
Riemenfuehrung
67-0920
36
Federring
3253-4
37
Schraube
322-10
38
Ring
32120-64
39
Fahrantriebsriemen
67-0900
40
Riemenscheibe
82-6450
41
Keil
3257-23
42
Schraube
9104784
43
Bracket-Mount, Spring
67-0750
44
Schraube
32144-70
45
Gehaeuseaufhaengung
67-0600-03
46
Handle-Deck Engage
67-0640
Gebrauchsanweisungen
Toro
Roth / TORO
Aufsitzmäher
Traktor
Rider
HMR 1600
12-32 E
12-32
11-32
10-32 E
8-25
372/70122
210000001
200000001
9900001
Motor B&S (Modell 195707-0421-E1)
Getriebe (Peerlesss Modell 700-025)
Schneideinheit
Differential
Hinterachse
Elektro-Schaltplan
Motor
Getriebe & Gestänge (Fortsetzung)
Getriebe & Gestänge
Heckteil
Vorderachse
Sitz & Kraftstofftank
Rahmen
Vorderteil
372/70060
110-4E
110-4
Mähwerke
Zubehör
Handgeräte
Robin
Impressum
(C) by motoruf