Zurück zu
>
Roth / TORO
>
Handgeräte
>
Schneefräsen
>
zweistufig
>
824 PowerShift
>
628/38540
>
2000001
>
Getriebe Nr. 66-8030 (Fortsetzung)
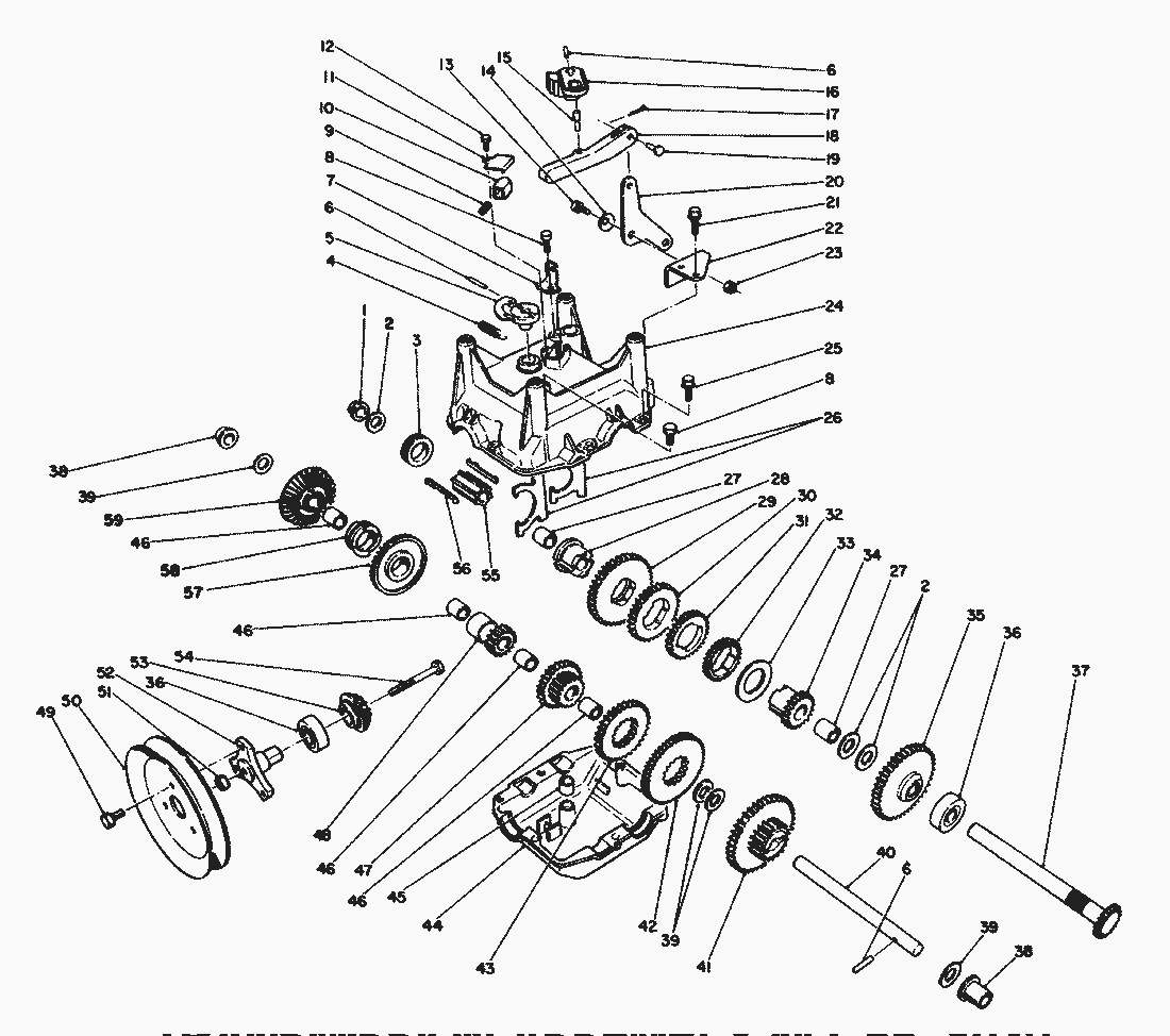
Ersatzteillisten für Toro Roth / TORO Getriebe Nr. 66-8030 (Fortsetzung)
Pos.
Bezeichnung
Ersatzteilnummer
45
Buchse
29-9570
46
Buechse
62-1160
47
Ritzel
68-4310
48
Zahnrad
62-0500
49
Schraube
12-3270
50
Riemenscheibe
62-1310
51
Mutter
32128-32
52
Halter
62-0380
53
Ritzel
62-0350
54
Schraube
321-15
55
Gleitbuechse
68-4320
56
Keil
62-0310
57
Tellerrad
67-5870
58
Schaltstueck
67-5880
59
Tellerrad Mit Buechse
13-3559
Getriebefett
505-101
Gebrauchsanweisungen
Toro
Roth / TORO
Aufsitzmäher
Handgeräte
Kehrmaschinen
Schneefräsen
Zubehör
zweistufig
1332 PowerShift
1232 PowerShift
1132 PowerShift
1132
1028 PowerShift
924 PowerShift
828 PowerShift
824 PowerShift
628/38546
628/38543
628/38540
9000001
8900001
8000001
7900001
6900001
5900001
4900001
3900001
2000001
Rücklaufstarter Tecumseh Nr. 590630
Motor Tecumseh (Modell-Nr. HM80-155337P) (Fortsetzung)
Motor Tecumseh (Modell-Nr. HM80-155337P)
Vergaser Tecumseh Nr. 632334A
Elektrostarter Nr. 37-4810 (wahlw.)
Differential Bausatz Modell-Nr. 38038 (wahlw.)
Wetterschutz Nr. 68-9500 (wahlw.)
Beleuchtungssatz Nr. 66-7930 (wahlw.)
Holm
Seiten-Schneidschiene (wahlw.)
Antrieb Gestänge
Antrieb
Getriebe Nr. 66-8030 (Fortsetzung)
Motor
Getriebe Nr. 66-8030
Getriebegehäuse Nr. 74-1560
Gehäuse & Auswurf (Fortsetzung)
Gehäuse & Auswurf
1000001
0000001
824 XL
824
724
624 PowerShift
622
521
3521
einstufig
Sauger/Bläser
Rasenmäher
Robin
Impressum
(C) by motoruf