Zurück zu
>
Roth / TORO
>
Handgeräte
>
Rasenmäher
>
4-Takt Radantrieb
>
495/26620 BG
>
1000001
>
Gehäuse
Ersatzteillisten für Toro Roth / TORO Gehäuse
Pos.
Bezeichnung
Ersatzteilnummer
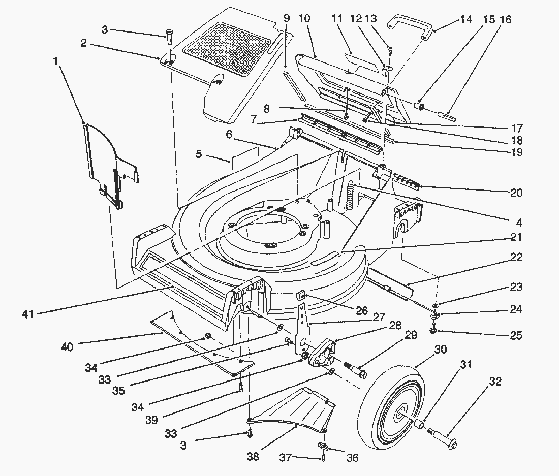
1
Abdeckblech
66-0020
2
Panel-Screen
65-5660
3
Schraube
32144-70
4
Feder
65-5360
5
Decal-Danger
62-3860
6
Maehergehaeuse
13-5869
7
Dichtlippe
65-5160
8
Halteseil
65-5370
9
Dichtstreifen
65-5480
10
Auswurfklappe
13-5889
11
Schild
71-8370
12
Klemme
65-5140
13
Schraube
65-5210
14
Handgriff
65-5100
15
Buechse
65-5460
16
Drehzapfen
65-5290
17
Brace-Door
66-0610
18
Schraube
46-8091
19
Dichtstreifen
65-5490
20
Abdeckung
65-5150
21
Schild
62-3950
22
Schleppschild
65-5350
23
Scheibe
3256-23
24
Haltegestaenge
76-1980
25
Schraube
5-2490
26
Hebelknopf
25-7740
27
Stellhebel
66-0540
28
Arm-Front Pivot
66-0580
Gebrauchsanweisungen
Toro
Roth / TORO
Aufsitzmäher
Handgeräte
Kehrmaschinen
Schneefräsen
Sauger/Bläser
Rasenmäher
Grasfangvorrichtungen
4-Takt Radantrieb
498/26638
498/26633
498/26633 B
498/26631 B
496/26639
496/26636
496/26636 B
496/26635 BC
496/26625 BG
495/26637
495/26632
495/26632 B
495/26630 BC
495/26630 BG
495/26620 BG
2000001
1000001
Laubschredder Einsatz Modell-Nr. 59181
Starter (Motor Nr. VM140)
Mulcheinsatz Modell-Nr. 59172
Auspuff (Motor Nr. VM140)
Luftfilter & Kraftstofftank (Motor Nr. VM140)
Vergaser (Motor Nr. VM140)
Regler (Motor Nr. VM140)
Zündspule & Schwungrad (Motor Nr. VM140)
Kurbelgehäuse (Fortsetzung)
Kurbelgehäuse (Motor Nr. VM140)
Seitauswurf Modell-Nr. 59112 (wahlw.)
Fangkorb Modell 26620B
Fangkorb (Modell 26620B Serien-Nr. 1001116-höher Modell 26620BG Serien-Nr. 1000101 & höher)
Antrieb Betätigung
Holm
Getriebegehäuse (Fortsetzung)
Getriebegehäuse
Motor
Messer
Gehäuse (Fortsetzung)
Gehäuse
0009001
494/20784
494/20791
493/20783
493/20789
492/20787
492/20778
491/20786
491/20777
491/20328 B
490/20327 B
489/20927 B
489/20926 B
489/20925
488/20920
487/20914
487/20909 BC
487/20905
479
477
469
465/20781
465/20779
464
459/20824
459/20821
459/20821 B
459/20820 BC
458/20823
458/20822
457
456/20808
456/20808 B
456/20807 BC
456/20806 B
455/20803
455/20803 B
455/20802 BC
455/20801 B
453
449
439
437/22173
437/22157
437/22154
437/22154 B
437/22153 BC
434
424
421/20652
417/20832
417/20829
417/20827
416/20831
416/20828
416/20826
415/20817
415/20811
4-Takt
2-Takt Radantrieb
2-Takt
Elektro
Akku
Robin
Impressum
(C) by motoruf