Zurück zu
>
Roth / TORO
>
Handgeräte
>
Schneefräsen
>
zweistufig
>
824 PowerShift
>
628/38540
>
9000001
>
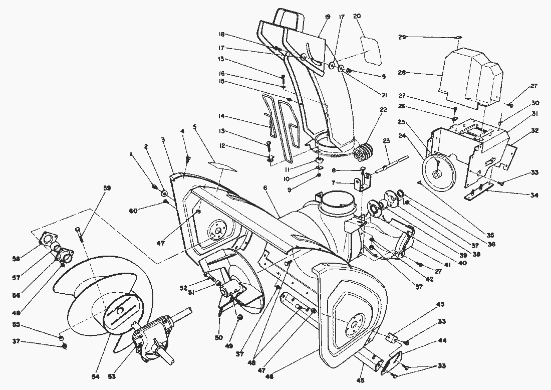
Gehäuse & Auswurf (Fortsetzung)
Ersatzteillisten für Toro Roth / TORO Gehäuse & Auswurf (Fortsetzung)
Pos.
Bezeichnung
Ersatzteilnummer
28
Riemenabdeckung
63-2080
29
Deckel
63-3290
30
Pop-Nieten
3269-23
31
Frame-Engine
66-7780
32
Cover-Engine Frame
62-1440
33
Schraube
3234-7
34
Motorhalterung Links
68-4110
Motorhalterung Rechts
68-4100
35
Keil
3257-23
36
Scheibe
252-80
37
MUTTER
3296-29
38
39
Lager
63-3450
40
41
Cover-Belt (Lower)
62-1400
42
Scheibe
3256-23
43
Haltewinkel
62-1240
44
Plate-Skid L.H.
62-0980
Plate-Skid R.H.
62-0990
45
Blade-Scraper
66-7762
46
Plate-Side L.H.
66-7830
47
Mutter
3296-47
48
Schloss Schraube
3230-23
49
MUTTER
3296-42
50
Impeller
66-7910
51
Distanzstueck
66-8010
52
Schraube
321-44
53
Auger Gearbox Assembly
66-8020
54
Auger-R.H.
63-2750
Auger-L.H.
63-2760
Auger-R.H.(Model No. 38505)
68-7450
Auger-L.H.(Model No. 38505)
68-7460
55
Buechse
25-5090
56
Lagerflansch
20-0990
57
Gleitlager
20-0980
58
Lagerflansch
20-1000
59
Bolt Auger
17-7030
60
SCHRAUBE
321-3
Lager Mit Deckel
12-8789
Gebrauchsanweisungen
Toro
Roth / TORO
Aufsitzmäher
Handgeräte
Kehrmaschinen
Schneefräsen
Zubehör
zweistufig
1332 PowerShift
1232 PowerShift
1132 PowerShift
1132
1028 PowerShift
924 PowerShift
828 PowerShift
824 PowerShift
628/38546
628/38543
628/38540
9000001
Rücklaufstarter Tecumseh Nr. 590630
Vergaser Tecumseh Nr. 632334
Motor Tecumseh (Modell-Nr. HM80-155337N) (Fortsetzung)
Motor Tecumseh (Modell-Nr. HM80-155337N)
Elektrostarter Nr. 37-4810 (wahlw.)
Wetterschutz Nr. 66-6200 (wahlw.)
Beleuchtungssatz Nr. 66-7930 (wahlw.)
Holm
Seiten-Schneidschiene Nr. 66-7960 (wahlw.)
Antrieb Gestänge
Antrieb
Getriebe Nr. 66-8030 (Fortsetzung)
Getriebe Nr. 66-8030
Motor
Getriebegehäuse Nr. 66-8020
Gehäuse & Auswurf (Fortsetzung)
Gehäuse & Auswurf
8900001
8000001
7900001
6900001
5900001
4900001
3900001
2000001
1000001
0000001
824 XL
824
724
624 PowerShift
622
521
3521
einstufig
Sauger/Bläser
Rasenmäher
Robin
Impressum
(C) by motoruf