Zurück zu
>
Roth / TORO
>
Handgeräte
>
Rasenmäher
>
4-Takt Radantrieb
>
487/20909 BC
>
5900001
>
Gehäuse (Fortsetzung)
Ersatzteillisten für Toro Roth / TORO Gehäuse (Fortsetzung)
Pos.
Bezeichnung
Ersatzteilnummer
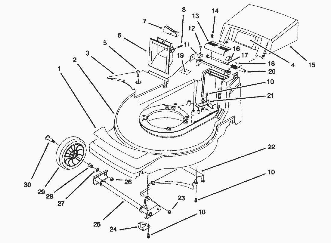
28
Buchse
27-6250
29
Rad
46-1113
30
Radbolzen
27-6230
Gebrauchsanweisungen
Toro
Roth / TORO
Aufsitzmäher
Handgeräte
Kehrmaschinen
Schneefräsen
Sauger/Bläser
Rasenmäher
Grasfangvorrichtungen
4-Takt Radantrieb
498/26638
498/26633
498/26633 B
498/26631 B
496/26639
496/26636
496/26636 B
496/26635 BC
496/26625 BG
495/26637
495/26632
495/26632 B
495/26630 BC
495/26630 BG
495/26620 BG
494/20784
494/20791
493/20783
493/20789
492/20787
492/20778
491/20786
491/20777
491/20328 B
490/20327 B
489/20927 B
489/20926 B
489/20925
488/20920
487/20914
487/20909 BC
5900001
Motor (B&S Modell 12A802-0611-01)
Fangkorb
Betätigung (Modell-Nr. 20909BC)
Holm (Modell-Nr. 20909BC)
Getriebegehäuse (Modell-Nr. 20209BC)
Hinterachse (Antrieb)
Messer
Motor
Gehäuse (Fortsetzung)
Gehäuse
487/20905
479
477
469
465/20781
465/20779
464
459/20824
459/20821
459/20821 B
459/20820 BC
458/20823
458/20822
457
456/20808
456/20808 B
456/20807 BC
456/20806 B
455/20803
455/20803 B
455/20802 BC
455/20801 B
453
449
439
437/22173
437/22157
437/22154
437/22154 B
437/22153 BC
434
424
421/20652
417/20832
417/20829
417/20827
416/20831
416/20828
416/20826
415/20817
415/20811
4-Takt
2-Takt Radantrieb
2-Takt
Elektro
Akku
Robin
Impressum
(C) by motoruf