Zurück zu
motoruf
Warenkorb

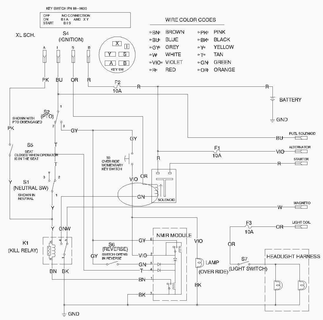
Ersatzteillisten für Toro Roth / TORO Elektro-Schaltplan




Ersatzteilliste


Pos.BezeichnungErsatzteilnummer
Sicherung 10a218-578
Gebrauchsanweisungen
Toro
Impressum
(C) by motoruf