Zurück zu
>
Roth / TORO
>
Handgeräte
>
Schneefräsen
>
einstufig
>
CCR 2000
>
618/38181
>
4900001
>
Betätigung, Paneele & Abdeckung
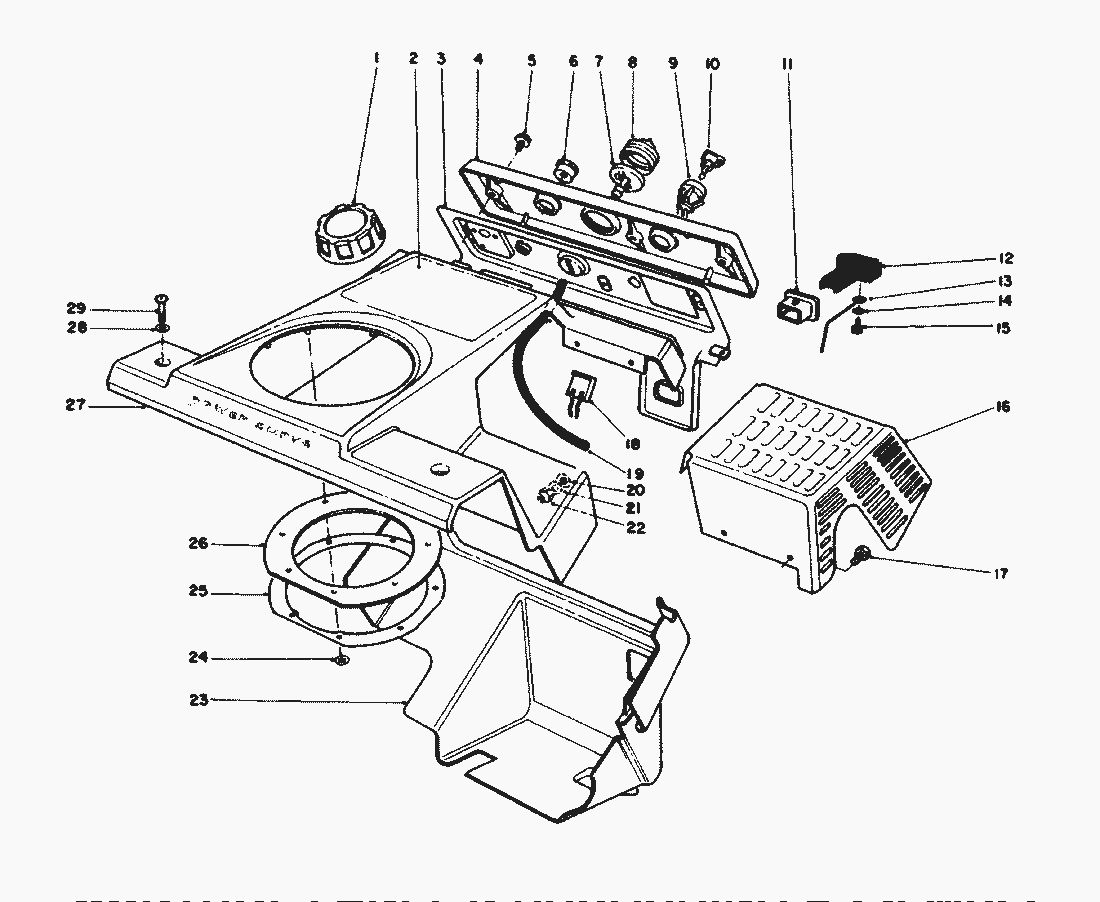
Ersatzteillisten für Toro Roth / TORO Betätigung, Paneele & Abdeckung
Pos.
Bezeichnung
Ersatzteilnummer
Upper Shroud Assembly (Incl. Ref.
12-4649
Control Panel Assembly (Incl. Ref.
12-4659
Pos.
Bezeichnung
Ersatzteilnummer
1
Gas Cap Assembly
55-3573
2
Decal-CCR-2000
72-9970
4
Namensplatte
55-9350
Abdeckplatte
60-9490
5
Schraube
32144-112
6
Seilfuehrung
55-9410
7
Primer-Koerper
44-2750
8
Primerknopf
66-7460
9
Zuendschloss
40-5940
10
Schluessel
63-8360
11
Passtueck
55-8820
12
Control-Choke (Model No. 38180)
55-8810
Starterklappe
55-8811
13
Linkage-Choke
61-4651
14
Scheibe
3256-49
15
Schraube
32144-111
16
Shield-Heat
55-9210
17
Schraube
32105-8
18
Steckverbindung
218-532
19
Hose-Primer
44-3171
20
Washer-Rubber
55-9660
21
Scheibe
3256-14
22
Mutter
3296-12
23
Shroud-Lower
55-8790
24
Hutmutter
3290-474
25
Retainer-Chute Seal
55-9540
26
Seal-Chute
55-9260
28
scheibe
3256-22
29
Screw-Phillips
3250-32
Gebrauchsanweisungen
Toro
Roth / TORO
Aufsitzmäher
Handgeräte
Kehrmaschinen
Schneefräsen
Zubehör
zweistufig
einstufig
Snow Commander
CCR 3650 GTS
CCR 3000
CCR 2450
CCR 2400
CCR 2000
618/38186
618/38185 C
618/38181
6900001
5900001
4900001
Starter (Modell-Nr. 47PP3-4)
Auspuff (Modell-Nr. 47PP3-4)
Regler (Modell-Nr. 47PP3-4)
Vergaser (Modell-Nr. 47PP3-4)
Schwungrad & Zündspule (Modell-Nr. 47PP3-4)
Teilemotor (Modell-Nr. 47PP3-4)
Holm
Betätigung, Paneele & Abdeckung
Motor & Hauptrahmen
Rotor
Grassauswurf
Gehäuse (Fortsetzung)
Gehäuse
3900001
2000001
1000001
0000001
618/38180 C
CR 1000
CR 20
CR 20 R
S 620
S 200
CCR Powerlite
Sauger/Bläser
Rasenmäher
Robin
Impressum
(C) by motoruf