Zurück zu
>
Roth / TORO
>
Handgeräte
>
Schneefräsen
>
zweistufig
>
1132
>
610/38160
>
3000001
>
Antrieb
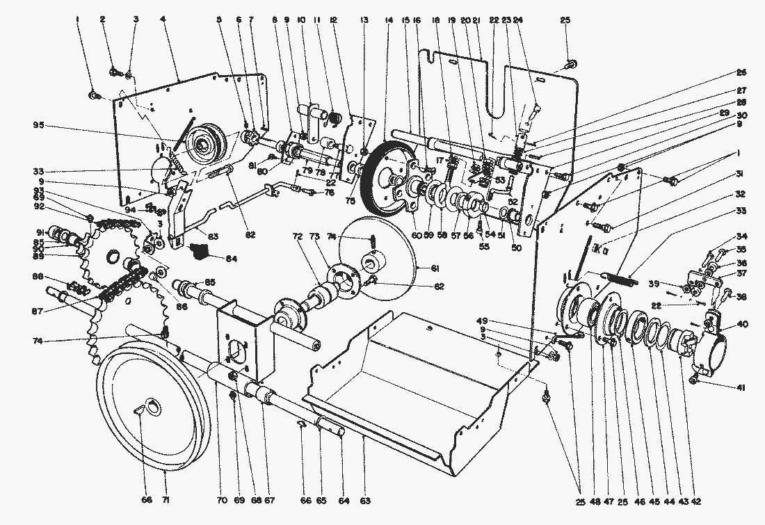
Ersatzteillisten für Toro Roth / TORO Antrieb
Pos.
Bezeichnung
Ersatzteilnummer
1
Schraube
323-6
2
Schraube
32144-15
3
Scheibe
3256-25
4
Seitenplatte
22-7990
5
Schraube
3245-32
6
Kettenrad
5-9820
7
Keil
3-6168
8
Lagerdeckel
22-8950
9
Hex Locknut
32146-2
10
Kettenspanner
26-6470
11
Feder
26-8950
12
Mount-Hex Shaft R.H.
26-6070
13
Locknut
32146-5
14
Reibrad
40-8170
15
Bracket-Dead Shaft
11-8010
16
Schraube
32108-94
17
Scheibe
3256-45
18
Spring Washer
3290-301
19
Flange Nut
32128-12
20
Locknut
32146-6
21
Rear Shield
8-7950
22
Splint
3272-5
23
Gabelbolzen
11-8070
24
Splintbolzen
283-31
25
Schraube
32144-10
26
Stift
32121-50
27
Thrust Washer
252-89
28
Stift
32121-1
29
Lagerhalter
26-6330
30
Schraube
32144-11
31
Schraube
11-8140
32
Mutter
3290-433
33
Feder
10-3890
34
Stift
283-29
35
Stift
283-17
36
Rolle
10-3910
37
Kupplungshebel
20-1050
38
Stift
283-16
39
Scheibe
3256-14
40
Haltering
20-2290
41
Innensechskantschraube
3274-42
42
Kupplungsklaue
26-5990
43
Scheibe
10-3980
44
Buechse
256-214
45
Haltering
10-3860
46
Sicherung
32151-35
47
Lagerflansch
20-1020
48
Lager
20-1010
49
Sicherung
41-8570
50
Buechse
256-219
51
Scheibe
5-7570
52
Gestaenge
11-8090
53
Lasche
11-8060
54
Scheibe
11-3180
55
Schraube
3274-26
Gebrauchsanweisungen
Toro
Roth / TORO
Aufsitzmäher
Handgeräte
Kehrmaschinen
Schneefräsen
Zubehör
zweistufig
1332 PowerShift
1232 PowerShift
1132 PowerShift
1132
610/38160
9000001
7000001
6000001
5000001
4000001
3000001
Graderschild (Modell-Nr. 59099)
Auswurf Verlängerung 26-1100 (wahlw.)
Wetterschutz Modell 42-3380 (wahlw.)
Motor B&S Modell-Nr. 252416-0190-01 (Fortsetzung)
Motor B&S Modell-Nr. 252416-0190-01
12 V Anlasser 37-4640 (wahlw.)
Holm (Fortsetzung)
Holm
Rad
Motor
Antrieb (Fortsetzung)
Antrieb
Trommel
Trommel (Fortsetzung)
2000001
1000001
0000001
1028 PowerShift
924 PowerShift
828 PowerShift
824 PowerShift
824 XL
824
724
624 PowerShift
622
521
3521
einstufig
Sauger/Bläser
Rasenmäher
Robin
Impressum
(C) by motoruf