Zurück zu
>
Roth / TORO
>
Handgeräte
>
Schneefräsen
>
zweistufig
>
724
>
637/38073
>
4900001
>
Antrieb (Fortsetzung)
Ersatzteillisten für Toro Roth / TORO Antrieb (Fortsetzung)
Pos.
Bezeichnung
Ersatzteilnummer
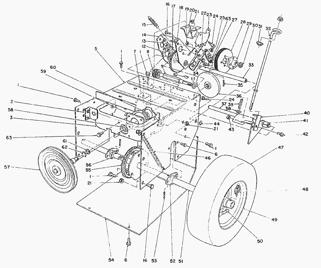
49
Felge
241-131
50
Schlauch 14x4.00-6
232-46
51
Antriebsachse
74-1350
52
Lagergehaeuse
37-6850
53
Spannstift
32121-31
54
Bottom Cover
37-6830
55
Axle Gear
37-6520
56
Scheibe
3-8664
57
Riemenscheibe Mit Welle
88-0850
58
Buechse
256-322
59
Platte
88-0560
60
Kugellager
38-7820
61
Scheibe
252-80
62
Ring-Snap
32151-103
63
Schraube
12-3270
Gebrauchsanweisungen
Toro
Roth / TORO
Aufsitzmäher
Handgeräte
Kehrmaschinen
Schneefräsen
Zubehör
zweistufig
1332 PowerShift
1232 PowerShift
1132 PowerShift
1132
1028 PowerShift
924 PowerShift
828 PowerShift
824 PowerShift
824 XL
824
724
637/38073
9900001
8900001
7900001
6900001
5900001
4900001
Vergaser Nr. 632371A
Elektrostarter Motor Nr. 38-7590
Rücklaufstarter Nr. 590646
Motor Tecumseh (Modell HSK70-130282S)
Holm (Fortsetzung)
Motor
Holm
Antrieb (Fortsetzung)
Antrieb
Trommel (Fortsetzung)
Trommel
3900001
624 PowerShift
622
521
3521
einstufig
Sauger/Bläser
Rasenmäher
Robin
Impressum
(C) by motoruf