Zurück zu
>
Roth / TORO
>
Aufsitzmäher
>
Traktor
>
16-38 XLE
>
358/71226
>
220010001
>
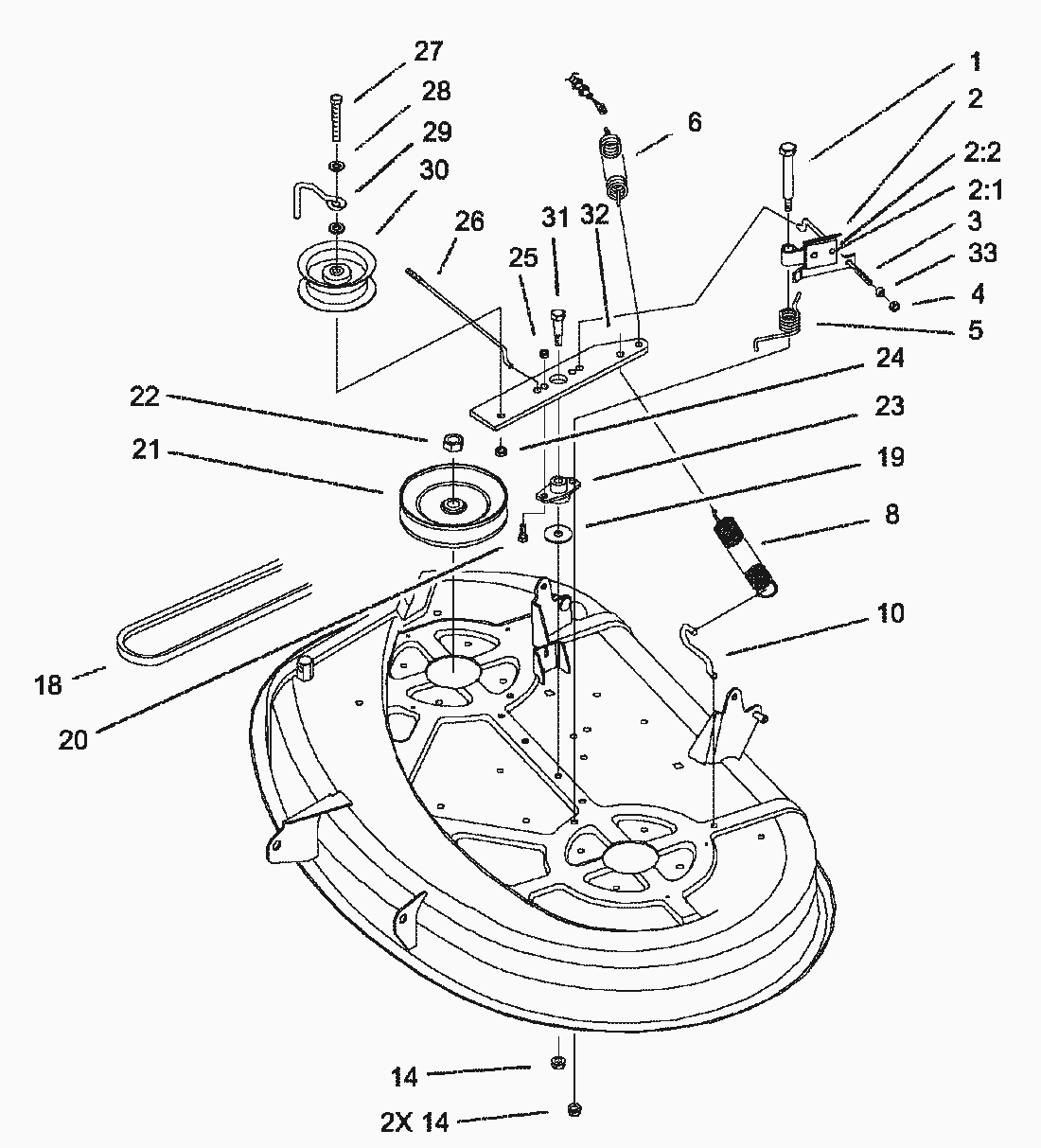
38 Mähwerk; Messer, Antrieb und Bremse 38in Deck Blade Drive and Brake Assy.
Ersatzteillisten für Toro Roth / TORO 38 Mähwerk; Messer, Antrieb und Bremse 38in Deck Blade Drive and Brake Assy.
Pos.
Bezeichnung
Ersatzteilnummer
1
Bolt-Shoulder
88-4590
2
Brake-Deck (Incl. Ref.
88-6100
21
Niete
3290-282
22
Pad-Brake
56-9830
3
Rod-Deck Brake L.H.
88-5550
4
MUTTER
3296-42
5
Spring-Torsion
88-5910
6
Spring-Deck Engage
88-6130
8
Zugfeder
92-8934
10
Hook-Spring Return
88-5970
14
Mutter
3296-58
18
V-Belt-Deck
88-6250
19
Scheibe
3256-68
20
Schraube
322-5
21
Pulley-Deck
88-5330
22
Mutter
3219-6
23
Bushing-Idler Arm
88-4980
24
Mutter
3296-39
25
MUTTER
3296-29
26
Rod-Deck Brake R.H.
88-5540
27
Schraube
323-12
28
Scheibe
3256-24
29
Guide-Idler Belt
88-5070
30
Pulley-Idler
88-5630
31
Bolt-Shoulder
7-0030
32
Spannarm
88-4870-03
33
Ball-Swivel
67-0710
Gebrauchsanweisungen
Toro
Roth / TORO
Aufsitzmäher
Traktor
264-6
246 HE
244-5
212-H
212-5
17-44 HXLE
16-44 HXL
16-38 HXL
16-38 XLE
358/71226
220010001
Vergaser Reparatur-Satz (B&S Modell 286H77-0121-E1)
Dichtungssatz (B&S Modell 286H77-0121-E1)
Starter (B&S Modell 286H77-0121-E1)
Gebläsegehäuse (B&S Modell 286H77-0121-E1)
Regler (B&S Modell 286H77-0121-E1)
Luftfilter (B&S Modell 286H77-0121-E1)
Vergaser (B&S Modell 286H77-0121-E1)
Ölfilter, Rohr und Pumpe (B&S Modell 286H77-0121-E1)
Kurbelgehäuse (B&S Modell 286H77-0121-E1)
Kurbelwelle (B&S Modell 286H77-0121-E1)
Zylinderkopf (B&S Modell 286H77-0121-E1)
Zylinder (B&S Modell 286H77-0121-E1)
Peerlesss Getriebeachse Modell MST 205-509
Elektrik
Schnitthöhe
38 Mähwerk-Schaltkomponenten 38in Deck EnGagement Assy.
38 Mähwerk; Messer, Antrieb und Bremse 38in Deck Blade Drive and Brake Assy.
38 Mähwerk (Fortsetzung) 38in Deck Assy. (Cont.)
38 Mähwerk 38in Deck Assy.
5-Gang Getriebeachse
Verstellung
Antriebskupplung
Motor
Lenkung
Lenkung
Lenkung (Fortsetzung)
Heckteil & Sitz
Rahmen & Rahmen
Haube & Säule
210000001
200000001
15-44 HXL
15-38 HXL
14-38 HXL
14-38 XL
13-38 HXL
13-38 XL
13-32 XLE
12-38 HXL
12-38 XL
12-32 XL
264 H
265 H
267 H
268 H
270 H
520 xi
520 Lxi
523 Dxi
Rider
Mähwerke
Zubehör
Handgeräte
Robin
Impressum
(C) by motoruf