Zurück zu
>
Roth / TORO
>
Handgeräte
>
Schneefräsen
>
zweistufig
>
1132
>
610/38160
>
2000001
>
12 V Anlasser 37-4640 (wahlw.)
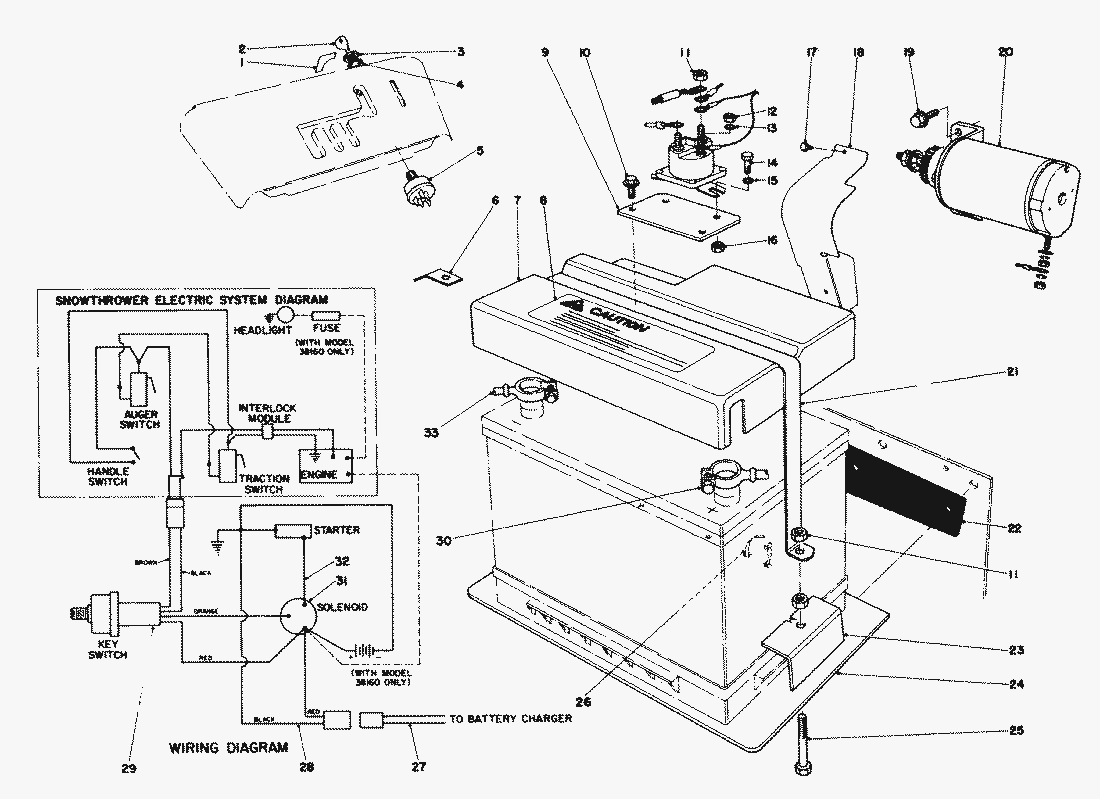
Ersatzteillisten für Toro Roth / TORO 12 V Anlasser 37-4640 (wahlw.)
Pos.
Bezeichnung
Ersatzteilnummer
1
Decal Key Switch
38-0640
2
Keys
33-2010
3
Flachmutter
218-461
4
Lockwasher
3254-5
5
Zuendschloss
23-0660
6
Bracket Wire Clamp
22-9060
7
Batteriedeckel
8-2839
8
Decal-Caution
38-0630
9
Solenoid Mounting Bracket
22-8880
10
Schraube
32144-10
11
Mutter
3217-6
12
Mutter
3219-14
13
Scheibe
3254-1
14
Schraube
321-2
15
Scheibe
3255-7
16
MUTTER
3296-42
17
Self Tapping Screw
32108-57
18
Pinion Shield
20-7060
19
Schraube
32140-45
20
21
Strap Battery Cover
22-8850
22
Battery Isolation Pad
24-6150
23
Battery Hold Downs
22-8870
24
Battery Mounting Plate
22-8830
25
Schraube
322-10
26
Tie Wrap
3290-378
27
Wire Assembly
29-7830
28
Wire Assembly
29-7820
29
Wire Harness
29-7810
30
Batteriekabel
22-9320
31
Magnetschalter
6-1600
32
Kabel
22-9310
33
Battery Cable
22-9330
Charger 110V (U.S. &Canada)
26-3870
Charger 220V (Europe)
26-7140
Gebrauchsanweisungen
Toro
Roth / TORO
Aufsitzmäher
Handgeräte
Kehrmaschinen
Schneefräsen
Zubehör
zweistufig
1332 PowerShift
1232 PowerShift
1132 PowerShift
1132
610/38160
9000001
7000001
6000001
5000001
4000001
3000001
2000001
Graderschild (Modell-Nr. 59099)
Auswurf Verlängerung 26-1100 (wahlw.)
Wetterschutz Modell 42-3380 (wahlw.)
Motor B&S Modell-Nr. 252416-0190-01 (Fortsetzung)
Motor B&S Modell-Nr. 252416-0190-01
12 V Anlasser 37-4640 (wahlw.)
Holm (Fortsetzung)
Holm
Motor
Rad
Antrieb
Antrieb (Fortsetzung)
Trommel (Fortsetzung)
Trommel
1000001
0000001
1028 PowerShift
924 PowerShift
828 PowerShift
824 PowerShift
824 XL
824
724
624 PowerShift
622
521
3521
einstufig
Sauger/Bläser
Rasenmäher
Robin
Impressum
(C) by motoruf