Zurück zu
Solo
>
Motorhacken
>
504 (25108)
>
504 702 (Druck 02/2000)
>
Motorhacke (Saison 1999/2000)
Ersatzteillisten für Solo Motorhacken Motorhacke (Saison 1999/2000)
Ersatzteilliste 1
Ersatzteilliste 2
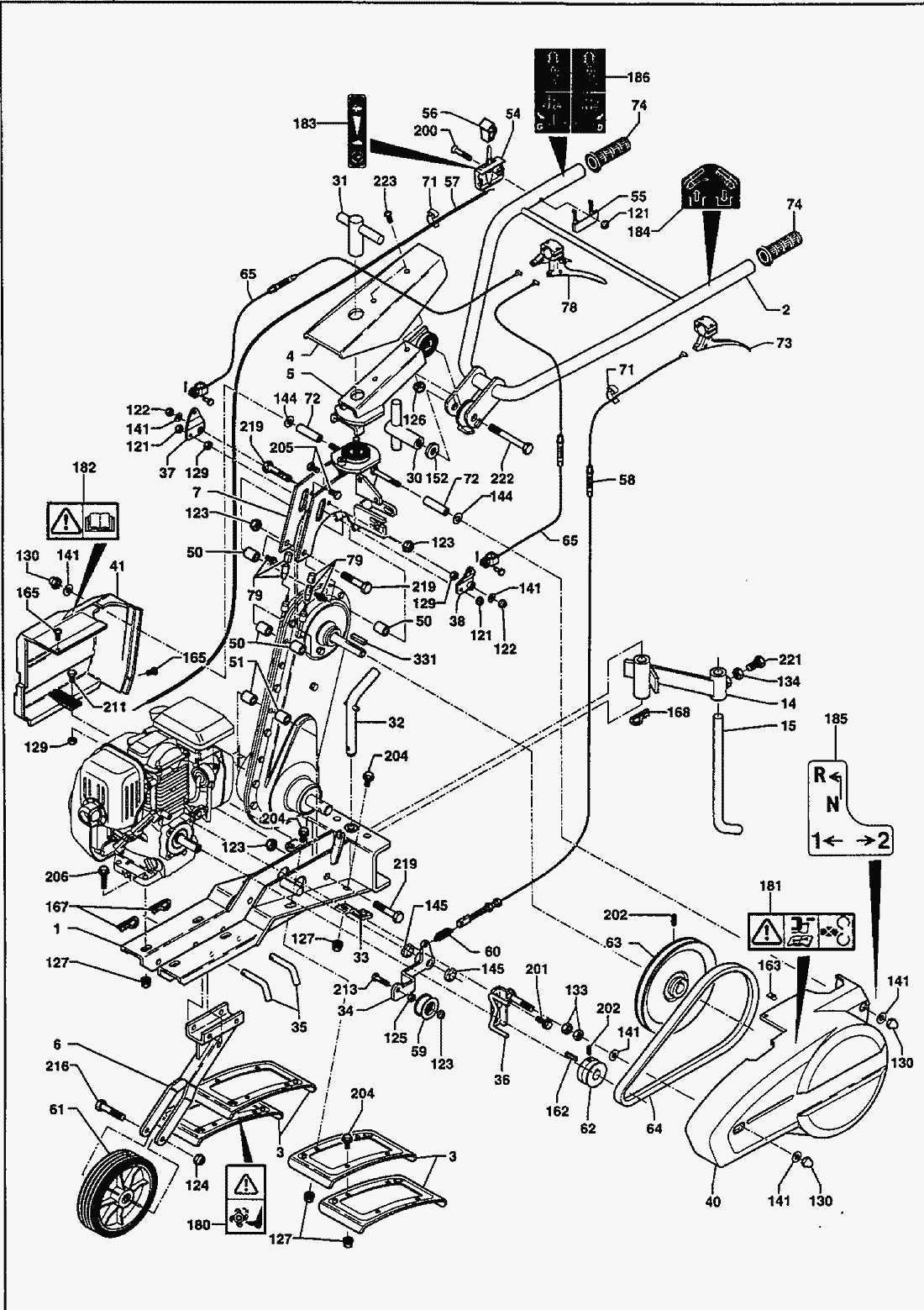
Pos.
Bezeichnung
Ersatzteilnummer
77
13004
146
11617
166
12973
203
11250
220
10822
224
11069
Pos.
Bezeichnung
Ersatzteilnummer
1
Chassis
Chassis
2
14002021
2
58402021
2
14001021
2
15002021
2
44520021
3
57004022
3
57001022
4
14002027
4
14001027
4
14400027
4
44520127
5
14006012
6
58400021
7
14001022
7
14002022
14
19700001
15
06402032
30
58401034
31
06402034
32
06402020
33
57301160
34
15102140
35
19700013
36
58400310
37
14002050
38
14002051
40
14025
40
HAUBE ROT R.+503
14066
40
14131
40
14008010
40
14026
40
14031
40
14130
40
44520010
41
14064
41
14034
41
14119
41
14115
41
14063
41
14032
41
14105
41
14117
41
14128
50
16016
51
16017
54
64948
55
HEBELABDECKHAUBE +503
62754
56
ENDSTUECK
68363
57
13129
57
13262
58
13169
59
KUPPL.SCHEIBE 502
12162
60
13027
61
VORDERRAD +503
14090
62
15170
62
15435
63
15219
64
13493
65
13168
71
84349
72
ROHR DIST. +503
16013
73
HEBEL +503
62820
74
GUMMIGRIFF +503
12126
78
12113
79
34920
121
Sicherheitsmutter M 6 Z
11482
122
6KT.MU.M8 27040 SI.503
11484
123
6KT.MU.M10 27040 SI.
11485
124
6KT.MU.M12 27040 SI.+503
11486
125
6KT.MU.M10 Z +503
11429
126
11518
127
11519
129
11452
130
HUTMUTTER M8 Z +503
11513
133
6KT.MU.M8 Z +503
11427
134
11431
141
SCHEIBE8X18X15 Z +503
11616
144
SCHEIBE9X20X3 Z +503
11619
145
11823
152
11661
162
KEIL +503
12979
162
12973
163
11495
165
11135
167
11702
168
11703
180
SKS.ACHTUNG FRAESMESSER +503
14733
181
SKS.SYMBOL SICHERHEIT +503
14724
182
SKS.SYMBOL BDA LESEN +503
14734
183
64868
184
Aufkleber "Kupplung"
62831
185
14637
186
62824
200
6KT.SHR.M6X45 931 +503
11176
201
11113
202
STIFT 8X16 GEW.+503
11085
204
11260
205
10771
206
11265
211
10767
213
10810
216
6KT.SHR.M12X80 931 Z +503
10863
219
10827
221
10851
222
10952
223
11144
331
12973
Pos.
Bezeichnung
Ersatzteilnummer
9
12403002
10
12403012
16
58402011
52
17001
53
12130
66
55035
67
55047
68
55046
69
81918
70
81917
75
55049
76
55048
120
11425
131
11450
132
11470
142
11621
143
SCHEIBE12X27X2,5 Z +503
11635
147
SCHEIBE GROWER +503
11585
148
11587
150
11813
151
11814
160
55085
161
55084
210
6KT.SHR.M8X16 Z +503
10766
217
10801
250
R30x62x2
251
06303022
252
10003048
253
10003044
254
17703020
255
17703019
256
12403020
285
14952
286
12636
287
13040
288
15075
289
150766
290
12935
291
15095
292
12525
293
12534
294
12354
295
11419
296
12253
297
12251
298
13305
299
STOPFEN +503
12793
300
15345
301
15336
302
15340
303
15371
304
15011
305
12316
306
12315
307
12680
308
12660
309
15106
310
151033
311
15112
312
12779
313
11687
314
13015
315
15368
316
15051
317
12637
318
13018
319
15122
320
15123
321
14966
322
15135
330
11763
332
1284
333
12850
334
11721
Gebrauchsanweisungen
Solo
Pflanzenschutzgeräte
Motorsägen
Motorsensen
Motorhacken
503 / 508
506
504 (25108)
504 (25108)
504 702 (Druck 02/2000)
Motorhacke 504 PM (2000)
Motorhacke 504 PM (2001)
Motorhacke (Saison 1999/2000)
503 (25111 / 25093) A / B / C / D
502
501-2T
501-4T
Balkenmäher
Vertikutierer
Rasenmäher
Blasgeräte
Multimot
Impressum
(C) by motoruf