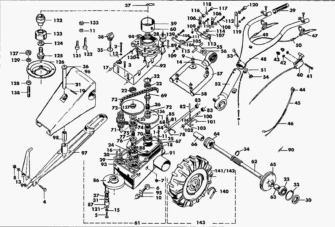
| Pos. | Bezeichnung | Ersatzteilnummer | |
| 1 | ZYL.SHR.M6X16 84-4.8ZN | 0010143 |
| 2 | ZYL.SHR.M6X70 912-8.8ZN GELB | 0010227 |
| 3 | ZYL.SHR.M6X50 912-8.8ZN | 0010161 |
| 4 | 6KT.SHR.M8X40 933-8.8ZN. | 0012141 |
| 5 | 6KT.SHR.M8X12 933-8.8ZN. | 0012167 |
| 6 | AUGENSHR.M12X1,5X50 444B-4.6 | 0014106 |
| 7 | 6-kt. Mutter M6 | 0020102 |
| 8 | 6KT.MU.M8 934-8ZN.GELB | 0020109 |
| 9 | 6KT.MU.M10 4032-8 ZN GELB | 0020110 |
| 10 | 6KT.MU.M12X1,5 30512-5.8ZN. | 0020154 |
| 11 | FEDERSCHEIBE6 137B | 0034107 |
| 12 | Federring 6 | 0034114 |
| 13 | Federring 8 | 0034117 |
| 14 | FEDERRING10 128A ZN | 0034119 |
| 15 | FEDERSCHEIBE8 137B FDST. | 0034128 |
| 16 | STIFT6M6X18 7ZYL. | 0040114 |
| 17 | STIFT10M6X24 7ZYL. | 0040137 |
| 18 | HUELSE4X24 1481SPN. | 0042194 |
| 19 | HUELSE6X40 1481SPN. | 0042199 |
| 20 | STIFT12X40 1472 PASS. | 0042203 |
| 21 | ACHSE SCHWINGEN. | 0046123 |
| 22 | KUG.LAG.15X35X11 6202 C4 | 0050102 |
| 23 | KUG.LAG.20X42X12 6004 | 0050127 |
| 24 | KUG.LAG.40X68X15 6008 | 0050139 |
| 25 | KUG.LAG.30X55X9 16006 C4 | 0050140 |
| 26 | NADELKAEFIG15X21X15K F | 0052162 |
| 27 | NADELKAEFIG18X24X15K FV | 0052163 |
| 28 | WD.RING15X35X7 | 0054128 |
| 29 | WD.RING45X60X8B3760 | 0054178 |
| 30 | WD.RING20X42X7B1 2S | 0054140 |
| 31 | WD.RING18X24X3G | 0054180 |
| 32 | Zackenring | 0055106 |
| 33 | SI.RING42X1,75 472 | 0055150 |
| 34 | SI.RING35X1,5 H.MO. | 0055181 |
| 35 | O.RING28X3NBR/PERB 70SH. | 0062143 |
| 36 | SCHMIERNIPPEL M6 3402A KUG. | 0067111 |
| 37 | FEDERSTECKER 1,6 | 0073195 |
| 38 | TANKVERSCHL.29,5/40SR.GWD.SWZ. | 2700188 |
| 39 | GRIFF22,9X123 HAND. | 0094135 |
| 40 | GASHEBEL +BOWDENZUG B&S | 2800299 |
| 41 | ZYL.SHR.M5X55 84A-4.8ZN GELB | 0010235 |
| 42 | Scheibe 5,3 mm | 0030108 |
| 43 | HUTMUTTER M5 986ZN GELB | 0024121 |
| 44 | Kurzschlussschalter | 0084477 |
| 45 | KABEL720+750KURZSCHL+MASSE.SWZ | 0084586 |
| 46 | SCHLAUCH10XMT.FFTYL WEL. | 0064378 |
| 47 | HEBEL KUPPLUNG. | 3800155 |
| 48 | HOLMBUEGEL | 5800260 |
| 49 | BOWDENZUG MAEHWERK | 3800294 |
| 50 | BOWDENZUG FAHRANTR. | 3800295 |
| 51 | KLEMME | 5074370 |
| 52 | HOLMSTÜCK | 5300309 |
| 53 | FL.RD.SHR.M8X60 603 | 0017104 |
| 54 | Sechskantmutter M8 | 0028116 |
| 55 | FESTSTELLKOERPER M16X1,5 | 5800217 |
| 56 | FEDERSCHEIBE16 137B | 0034154 |
| 57 | HOLMTRAEGER | 5800265 |
| 58 | STOPFEN18-20/22GL.SZ. | 5074376 |
| 59 | KU.GLOCKE70D M.NABE15D12SW | 3500277 |
| 60 | ENTL.STUECK7,55X7SINTERBRONZE | 6016134 |
| 61 | GETRIEBE | 3000207 |
| 62 | WELLE RAD. | 3300133 |
| 63 | ROHR25X2X53DIST. | 0033135 |
| 64 | MUFFE35ZNP.X59X40 KU. | 3031327 |
| 65 | ZAHNRAD47Z2,25MOD.KEG. | 3038229 |
| 66 | ROHR25X2X28DIST. | 3035507 |
| 67 | LAGERRING | 3012347 |
| 68 | RITZEL12Z+K.RAD48Z9,525X5,72 | 3400198 |
| 69 | WELLE ANT. | 3031214 |
| 70 | SCHEIBE30X42X0,1 988PA | 0031291 |
| 71 | WELLE ABT. | 3031341 |
| 72 | KETTENRAD48Z9,525X5,72 | 3038416 |
| 73 | ROLLENKETTE9,525X5,72 62GL. | 0057197 |
| 74 | SCHALTMUFFE MAEHWERK | 3031338 |
| 75 | SCHEIBE17X30X1 AX AS1730INA | 0031565 |
| 76 | MITNAHME | 3031340 |
| 77 | NADELHUELSE15X22 HK1522 INA | 0052296 |
| 78 | SCHALTKLAUE MAEHWERK | 3036397 |
| 79 | SCHALTSTANGE MAEHWERK | 3032676 |
| 80 | ZAHNSCHEIBE5,1 6797V | 0034112 |
| 81 | LI.SE.SHR.M5X12 964 | 0013136 |
| 82 | HUELSE4X32 1481SPN. | 0042181 |
| 83 | WD.RING12X22X7BA 3760 | 0054202 |
| 84 | HALTEBLECH | 3043446 |
| 85 | 6-kt. Schraube M6x16 | 0012172 |
| 86 | HUBSCHEIBE | 3016369 |
| 87 | TREIBROLLE 24X32X22 RG 19-929 | 3031492 |
| 88 | O.RING28X2,50NBR 70SH. | 0062282 |
| 89 | ZYL.SHR.M6X75 912-8.8ZN GELB | 0010572 |
| 90 | HUELSE STECK.RD. | 0084439 |
| 91 | GEHAEUSE AS. | 3011733 |
| 92 | GEHAEUSE MS. | 3011732 |
| 93 | DIC.GEHAEUSE | 3061252 |
| 94 | ZW.FLANSCH | 2011711 |
| 95 | SCHEIBE13 7349ZN. | 0030167 |
| 96 | MAEHWERKGEHAEUSE | 5011331 |
| 97 | MAEHSCHWINGE | 5300205 |
| 98 | BU.20X23X25CUSN8 | 5031486 |
| 99 | VERTEILER GRAS. | 5300206 |
| 100 | SCHALTSTANGE FAHRWERK | 3032675 |
| 101 | SCHALTKLAUE | 3036334 |
| 102 | SCHEIBE12X18X1,2 988SS | 0031210 |
| 103 | HUELSE4X24 1481SPN. | 0042194 |
| 104 | HEBEL SCHALT. | 3043447 |
| 105 | AUFNAHME | 7043621 |
| 106 | FEDER 2,5X15X44 ZUG. | 0071223 |
| 107 | Scheibe 5,3 mm | 0030102 |
| 108 | FEDERRING5 128A ZN VSK | 0034147 |
| 109 | Sechskantmutter M5 DIN 980 | 0028110 |
| 110 | 6KT.SHR.M5X12 933-8.8 ZN | 0012152 |
| 111 | 6KT.SHR.M5X20 933-8.8ZN GELB | 0012155 |
| 112 | 6KT.SHR.M5X25 933-8.8 | 0012113 |
| 113 | HEBEL SCHALT.FAHRWERK VS. | 3800296 |
| 114 | Distanzrohr 10x1,8x10 | 4035118 |
| 115 | RING5,5X10X3 DIST. | 3035353 |
| 116 | DIST.ST.14/10,5X17,5 | 3035354 |
| 117 | ZYL.SHR.M6X30 912-8.8ZN GELB | 0010133 |
| 118 | Scheibe 6,4 mm <- ) | 0030100 |
| 119 | GEGENLAGER | 3023410 |
| 120 | ZYL.SHR.M10X25 912-8.8 ZN | 0010382 |
| 121 | SCHEIBE DIST. | 0031229 |
| 122 | ZW.ST.22,25X18 KEG.1:10 NUT4 | 3500379 |
| 123 | KUPPLUNG 20 1:10KEG.FLIEHKRAFT | 3500183 |
| 124 | SCHEIBE10,2X28X1,5 2093TE. | 0072128 |
| 125 | 6KT.SHR.3/8"24UNF.X1 3/4"8.8ZN | 0012370 |
| 126 | MOTORFLANSCH | 2045671 |
| 127 | 6KT.MU.M8 980V | 0028107 |
| 128 | SCHEIBE8,4 7349 ZN | 0030144 |
| 129 | SCHEIBE8X14X0,5 988PA | 0031425 |
| 130 | STIFTSHR.M8X30 835-8.8 BRUEN. | 0015207 |
| 131 | *** keine Bezeichnung vorhanden | 0012259 |
| 132 | 6KT.SHR.M8X60 931-10,9 SCHW. | 0012279 |
| 133 | 6KT.MU.M8 980V | 0028107 |
| 134 | ZAHNSCHEIBE5,1 6797V | 0034112 |
| 135 | SCHEIBE30X42X2,5 988SS | 0031256 |
| 136 | SI.RING30X1,5 471 | 0055157 |
| 137 | SI.RING30X1,5 983A.L-RING | 0055188 |
| 138 | STIFTSHR.M8X35 835 | 0015259 |
| 139 | GI.METALL20/40BK5 | 0094139 |
| 140 | STIFT8X30 KLAPP. +522 | 5900532 |
| 141 | REIFEN6-3,50AM | 0092112 |
| 142 | SCHLAUCH6-3,50" | 0092111 |
| 143 | RAD 3,50-6AM L+R SET | 5900546 |
| 0 | SCHNEERAEUMSCHILD | 5000161 |
| 0 | SCHNEEKETTEN 3,50X6 PAAR | 0092117 |