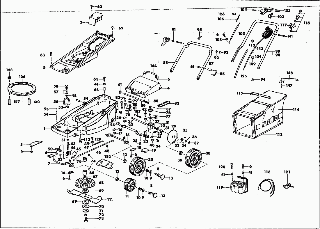
| Pos. | Bezeichnung | Ersatzteilnummer | |
| 1 | RASENMAEHERGEHAEUSE | 5100170 |
| 2 | HAUBE | 5073510 |
| 3 | DECKEL | 5073509 |
| 4 | | 5300552 |
| 5 | ABDECKBLECH | 5042735 |
| 6 | LI.SHR.5X18KTKX T25 | 0018258 |
| 7 | LAGERUNG VORDERRAD.ET | 5300545 |
| 8 | 6KT.SHR.M5X12FLSH.M6SF-TT.WN78 | 0018193 |
| 9 | SCHEIBE5,5X27X1 DRK. | 0031540 |
| 10 | ROL.LAG.12X20X30ROW/K1220/30 | 0052254 |
| 11 | RAD 150D | 5300503 |
| 11 | RAD 150D | 5300615 |
| 12 | STAUBKAPPE | 5074247 |
| 13 | RADKAPPE NR. 5600.002.00 | 5074157 |
| 14 | ABDECKUNG ACHS.2 | 5045666 |
| 14 | ABDECKUNG ACHS.3 | 5045679 |
| 15 | LAGERUNG HINTERRAD.ET | 5300547 |
| 16 | LAGERSCHALE 10,2 OT. | 5074151 |
| 17 | LAGERSCHALE 10,2 UT. | 5074152 |
| 18 | ABDECKUNG ACHS.1 | 5042703 |
| 19 | ABDECKUNG | 5074425 |
| 20 | RAD 200D | 5300504 |
| 21 | GETRIEBE VS.12X417,5 | 3000202 |
| 22 | LAGERUNG HINTERRAD.R. | 5300566 |
| 23 | LAGERUNG HINTERRAD.L. | 5300568 |
| 24 | GLEITLAGER12X14X15 | 0053213 |
| 25 | 6KT.SHR.M6X12FLSH.M6SF-TT | 0018181 |
| 26 | LAGERSCHALE 18,2 OT. | 5074124 |
| 27 | LAGERSCHALE 18,2 UT. | 5074125 |
| 29 | ABDECKUNG | 5073543 |
| 30 | SCHEIBE12,2X35X0,5 AN. | 0031552 |
| 31 | FREILAUFNABE | 3031258 |
| 32 | STIFT5X14 7344SPN. | 0042298 |
| 33 | ZAHNRAD16Z+FREILAUF L. | 5038412 |
| 34 | ZAHNRAD16Z+FREILAUF R. | 5038413 |
| 35 | KEIL | 3025141 |
| 36 | SCHEIBE12,1X30X1,5 AN. | 0031498 |
| 37 | Sicherungsring 12x1 DIN 471 | 0055134 |
| 38 | RAD 200D NR.5610.000.00 | 5300580 |
| 39 | ZAHNRAD26Z2,6M. | 5074420 |
| 41 | Scheibe 5,3 mm | 0030102 |
| 42 | 6KT.SHR.M5X30FLSH.M6SF-TT | 0018180 |
| 43 | GWD.SPINDEL T14X2 2G. | 5031244 |
| 44 | VERST.MU.T14X2 2G.SWZ. | 5074368 |
| 45 | VERB.STANGE 2 | 5036376 |
| 46 | VERB.STANGE 1 | 5036384 |
| 47 | FEDER 2X12X115 ZUG. | 0071214 |
| 48 | Scheibe 6,4 mm <- ) | 0030100 |
| 49 | SCHEIBE5,3X20X2 | 0031435 |
| 50 | FUEHRUNGSBLECH | 5043356 |
| 51 | SCHEIBE10,2X30X1,5 AN. | 0031497 |
| 52 | SI.SCHEIBE7 6799 MAGAZ. | 0055154 |
| 53 | SCHEIBE12,2X26X1 AN. | 0031537 |
| 54 | FEDER 1X6,5X18 DRK. | 0070208 |
| 55 | KUG.8 5401KL.3 | 0052116 |
| 56 | VERST.KNOPF | 5074374 |
| 57 | ZYL.SHR.M6X20 84Z4 | 0010422 |
| 58 | STOPFEN M16X1,5F111 VERSCHL. | 5074375 |
| 59 | ACHSE 8X337 | 5031266 |
| 60 | FEDER 3X12 DREH. | 0073299 |
| 61 | SI.SCHEIBE8F12/6780 581 | 0055244 |
| 62 | H.RD.SHR.4,5X20SPAX ZN | 0018248 |
| 63 | H.RD.SHR.4,5X30SPAX | 0018259 |
| 64 | | 5035247 |
| 65 | H.RD.SHR.4,5X40SPAX | 0018278 |
| 66 | ROHRNABE22,25X36X61,5 | 5300531 |
| 66 | ROHRNABE22,25X36X84,5 | 5300576 |
| 66 | ROHRNABE22,25X39X87,5+KSHB50 | 5300591 |
| 67 | SCHEIBE32,5X56X3 50CR V4TE2093 | 0072158 |
| 68 | GEBLAESERAD | 5073577 |
| 69 | SCHEIBE32,1X60X2 REIB.RESITEX. | 0031295 |
| 70 | SCHEIBE32,1X61X3 DRK. | 0031293 |
| 71 | DRUCKSTUECK | 5031223 |
| 72 | FEDERRING10 7980ZN GELB | 0034177 |
| 73 | ZYL.SHR.3/8"24UNF.X40 12.9 ASA | 0010544 |
| 73 | ZYL.SHR.3/8"24UNF.X63 | 0010566 |
| 74 | SCHEIBENFEDER4X6,5 6888 | 0075123 |
| 75 | KEILRIEMENSHB.50 MOTOR | 3400214 |
| 75 | KEILRIEMENSHB.50 | 3015223 |
| 76 | KEILRIEMENSHB.82KEG.1:5 | 5074560 |
| 78 | HEBEL SPN. | 5300518 |
| 79 | SI.RING10X1 471 | 0055102 |
| 80 | SPANNROLLE | 5300585 |
| 81 | RING10,4X14X7DIST. | 0033245 |
| 82 | ZYL.BL.SHR.5,5X25 7971C.ZN.GB. | 0010415 |
| 83 | KEILRIEMEN 8X5X750 | 0057201 |
| 84 | BOLZEN12X23,5 KT.LAG. | 5074976 |
| 85 | HEBEL ARRETIER. | 5036297 |
| 87 | BU.8,2/9X10,2/14X25LAG. | 5074975 |
| 88 | HOLM UT. | 5300474 |
| 89 | HOLM OT. | 5035351 |
| 90 | HOLM OT. | 5035352 |
| 91 | HEBEL SPN. | 5300391 |
| 92 | SCHEIBE8,4 125ST B ZN GELB | 0030109 |
| 93 | HUTMUTTER M8 986ZN GELB | 0024108 |
| 94 | Schutzkappe | 5074246 |
| 95 | SEILFUEHRUNG 585/546 | 5036377 |
| 102 | HEBEL KUPPLUNG. | 3800259 |
| 103 | NIEDERHALTER | 5074268 |
| 104 | H.RD.SHR.5,0X45SPAX | 0018232 |
| 105 | BOWDENZUG KUPPL. | 3800275 |
| 106 | FEDER 1,6X8X36 ZUG.KU.HEBEL | 0071217 |
| 107 | FEDER 1X7X28 ZUG.GTR. | 0071218 |
| 108 | Scheibe 6,4 mm | 0030125 |
| 109 | KABELHALTER4,8-5,3 | 0066418 |
| 110 | GI.RING18,5X24,5X10SH.45-50 | 5063283 |
| 111 | PROP.MESSER451X70X3 | 5043361 |
| 112 | 6KT.SHR.3/8X2"FLSH.SF-TT | 0018283 |
| 113 | RAHMEN | 5300546 |
| 114 | GRASFANGSACK | 5900711 |
| 115 | TRAGBUEGEL | 5043252 |
| 116 | ZUENDSCHLOSS+2SCHLUESSEL | 7900296 |
| 117 | ZUENDSCHLOSSHALTER | 5074529 |
| 118 | KABELBAUM | 7900295 |
| 119 | BATTERIE 12 VOLT | 0084572 |
| 120 | Linsenschraube 5x45-KT | 0018282 |
| 121 | LADEGERAET | 7900297 |
| 122 | GRASFUEHRUNGSBLECH | 5043362 |
| 123 | HUELSE4,5X12 7346SPN. | 0042289 |
| 125 | ROHR8X1XMT.PA11/12SWZ. | 0064381 |
| 126 | FLANSCHRING | 5012827 |
| 127 | ZYL.SHR.M8X65 912-8.8ZN GELB | 0010487 |
| 128 | Sechskantmutter M8 | 0028116 |
| 129 | Linsenschraube 5x16 mm | 0018274 |
| 130 | ROHR10X0,8X19DIST. | 0033341 |
| 132 | Gehäuse Gashebel innen | 5074473 |
| 133 | Gehäuse Gashebel außen | 5074472 |
| 134 | Kulisse | 5074474 |
| 135 | Schieber | 5074522 |
| 136 | Hebel | 5074523 |
| 137 | Deckel Gashebel | 5074524 |
| 142 | BOWDENZUG GAS1,4X1228 | 3800284 |
| 142 | BOWDENZUG GAS1,4X1518 | 3800288 |
| 142 | BOWDENZUG GAS1,4X1178 | 3800286 |
| 142 | BOWDENZUG GAS1,4X1218 | 3800287 |
| 138 | Sechskantschraube M6 x 30 mm | 0012171 |
| 139 | Scheibe 6,4 mm <- ) | 0030100 |
| 140 | Sechskantmutter M6 | 0020122 |
| 141 | LI.SHR.3,5X35KT.WN1441 | 0018313 |
| 144 | Griff, schwarz | 5074562 |
| 146 | TRAGGRIFF | 5074561 |
| 147 | ZYL.BL.SHR.6,3X19 7971C.ZN.GB. | 0010222 |
| 148 | STIFTSCHL.SW8 6KT.WI.911 | 0080122 |
| 149 | STIFT8X90 HALTE. | 5036349 |
| 150 | Kombischlüssel | 0080489 |
| 151 | KOMBISCHLUESSEL21+SHR.DRE.6 ZN | 0080487 |