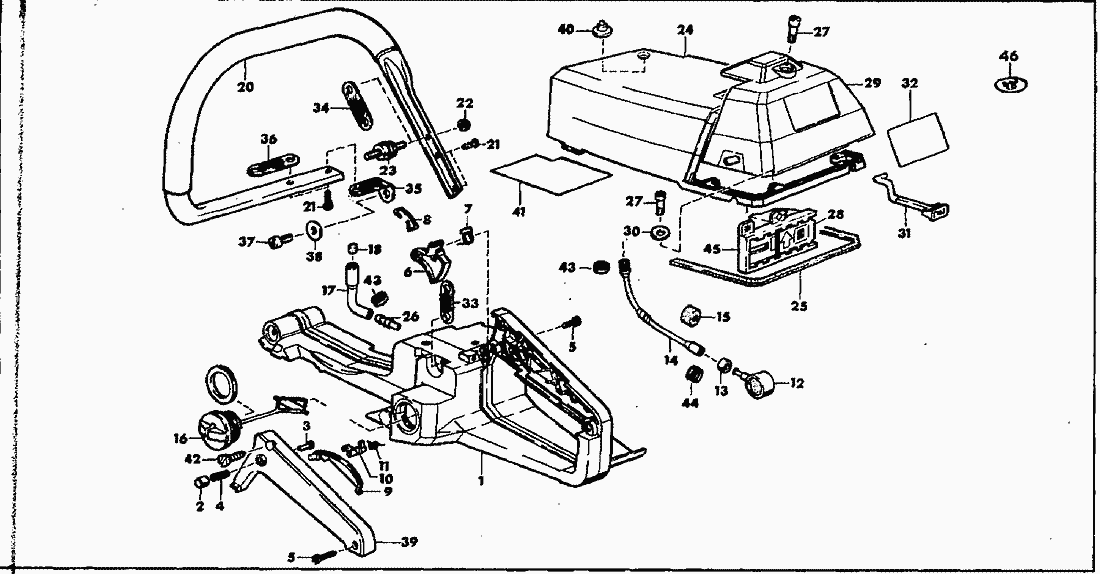
| Pos. | Bezeichnung | Ersatzteilnummer | |
| 1 | HAUPTGEHAEUSE L+R.RT. | 6100326 |
| 2 | ARRETIERDRUECKER | 6074381 |
| 3 | BOLZEN3,8/5X17,5/19,5 ARRETIER | 6031247 |
| 4 | FEDER 0,5X5,5X15 DRK. | 0070147 |
| 5 | ZYL.BL.SHR.4,2X19 7981BZ.ZN | 0010531 |
| 6 | GASHEBEL | 2074429 |
| 7 | FEDER 0,8X9,8 SCHENKEL.GASHEB. | 0073372 |
| 8 | GASGESTAENGE2 | 2036381 |
| 9 | HEBEL SI. | 6074443 |
| 10 | HEBEL BLOCKIER. | 6074292 |
| 11 | FEDER 0,7X7,7 SCHENKEL.DREH. | 0073339 |
| 12 | FILTER BENZIN.SUCHER VS. | 2700327 |
| 13 | GEWICHT ROHR7,2X15X8 | 2035227 |
| 14 | Kraftstoffschlauch 3x105 | 6063302 |
| 15 | GI.RING5X25X20 SHL.D.FUEHRUNG | 6063301 |
| 16 | TANKVERSCHL.29,5/39SR.GWD.SWZ. | 2700287 |
| DIC.25X37X2 NBR 85SH VERSCHL. | 0061324 |
| 17 | SCHLAUCH3X1,5X40/93ENTL.FORMT. | 6063304 |
| 18 | FILTER SINTER. | 3048339 |
| 20 | HALTEBUEGEL 644/651VS. | 6800241 |
| 21 | Linsenschraube 5x16 mm | 0018274 |
| 22 | 6KT.MU.M5 VERI(193) | 0028130 |
| 23 | GI.METALL19X17M5X10ZYL.KRB.LAG | 0094288 |
| 24 | HAUBE RT. | 6100324 |
| 24 | HAUBE SWZ. | 6100346 |
| 25 | DIC.STREIFEN6X5XMT.SK. | 0063191 |
| 26 | STUTZEN3X16 SHL. | 0067124 |
| 27 | ZYL.SHR.M5X17 HAUBEN. | 0011258 |
| 28 | VERSCHLUSS | 2074469 |
| 29 | HAUBENDECKEL ROT | 6073503 |
| 29 | HAUBENDECKEL SWZ. | 6073566 |
| 30 | Scheibe 5,3 mm | 0030108 |
| 31 | HEBEL CHOKE. | 6074426 |
| 32 | SKS.SOLO 644 | 0069679 |
| 32 | SKS.SOLO 644SP | 0069769 |
| 33 | Fangsicherung | 0098140 |
| 34 | FANGSICHERUNG 2 | 0098141 |
| 35 | FANGSICHERUNG 3 | 0098142 |
| 36 | FANGSICHERUNG 4 | 0098143 |
| 37 | ZYL.SHR.M5X50 84A-5.8ZN | 0010187 |
| 38 | Scheibe 5,3 mm | 0030102 |
| 39 | GRIFFSCHALE L.RT. | 6073499 |
| 40 | GI.5,5/8,8X4,3/10DIST.FPM.SH65 | 0094252 |
| 41 | ISOLIERFOLIE0,5 DICK | 6042753 |
| 42 | ZYL.BL.SHR.4,2X22 7981BZ. VERZ | 0010512 |
| 43 | SCHLAUCHOESE6,7X0,9X2W. | 0073351 |
| 44 | Schlauchöse | 0073352 |
| 45 | VERSCHL.RAHMEN | 2074470 |
| 46 | SKS.SYMBOL GEHOERSCHUTZ | 0069484 |