Zurück zu
AS-Motor
>
AS Enduro
>
AS 73/2 vs Enduro
>
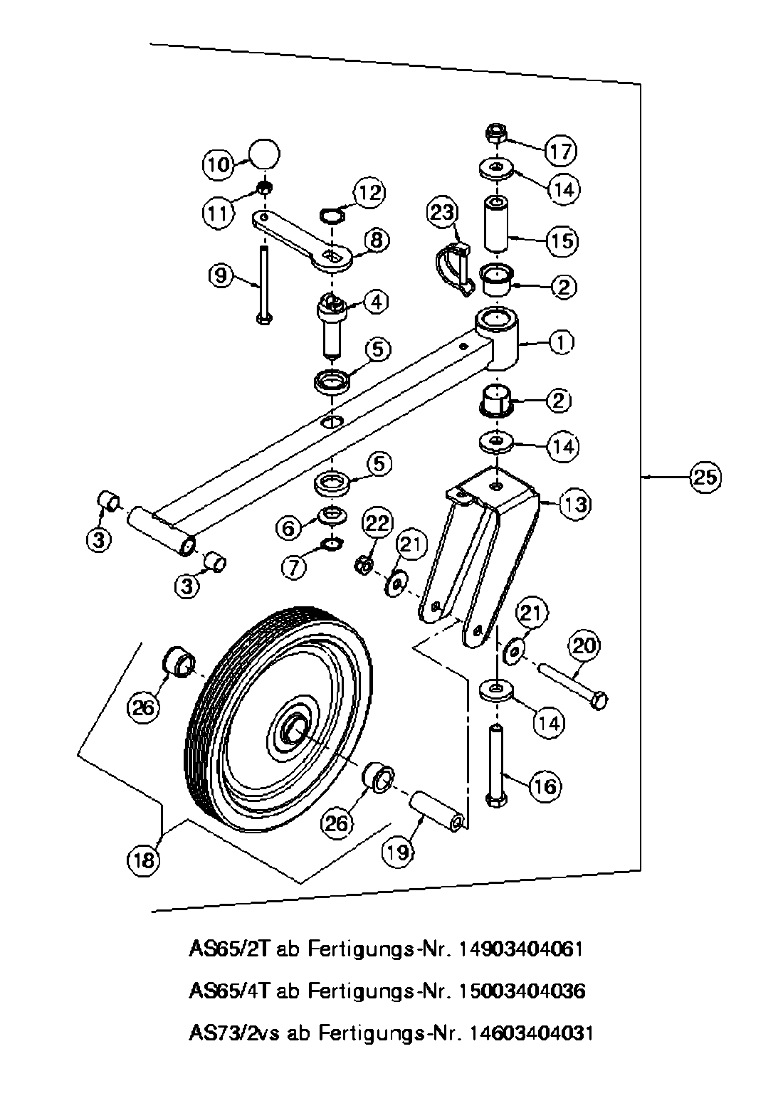
Radholm vollst.abFNr.14603404031
Ersatzteillisten für AS Motor AS Enduro Radholm vollst.abFNr.14603404031
Pos.
Bezeichnung
Ersatzteilnummer
1
Radholm kompl.
E07701
2
DU-Bundbuchse
E07204
3
DU-Buchse
E03108
4
Radstellmutter
E07703
5
Kegelpfanne
E07730
6
Kugelscheibe
E07702
7
Sicherungsring
E02935
8
Kurbel
E07186
9
Sechskantschraube
E06873
10
Kugelknopf
E07245
11
SECHSKANTMUTTER
E01906
12
Sicherungsring
E07729
13
Radgabel
E07705
14
Scheibe
E07213
15
Radgabelbolzen
E07173
16
6-kt.Schraube
E07226
17
6-kt.Mutter
E01972
18
Vorderrad
E07241
19
Nabenrohr
E06511
20
6-kt.Schraube
E06661
21
SCHEIBE
E01980
22
Sechskantmutter
E01968
23
Rohrklappstecker
E07881
25
Radholm vollst.
E08321
26
Bundbuchse
E04057
Gebrauchsanweisungen
AS Motor
AS Batterierasenmäher
AS 45 Ausputzmäher
AS 46 Variomat
AS 45 Universal
AS 53 Standard
AS 53 Allrad
AS 55 Heckauswurf
AS 550 Heckauswurf
AS Allmäher
AS Enduro
AS 22 Enduro
AS 22/3 Enduro
AS 27/2 Enduro
AS 27/3 Enduro
AS 28 Enduro
AS 28/3 Enduro
AS 28/4 Enduro
AS 65 2T Enduro
AS 65 4T Enduro
AS 65 4TH Enduro
AS 73 vs Enduro
AS 73/2 vs Enduro
Fahrwerk Abb. 1
Fahrwerk Abb.1 ab FNr.14604404001
Fahrwerk Abb. 2bisFNr.14603303999
Fahrwerk Abb.2abFNr.14603404001
Fahrwerk Abb.2 ab FNr.14604404001
Messerhaube bis FNr.14603303999
Messerhaube ab FNr.14603404001
Motornabe vollst.
Blechstrebe vollst. bis FNr.14604303025
Hebel vollst. Ab FNr.14604404001
Kupplungskorb vollst.bis FNr.14604303025
Kupplung vollst.ab FNr.14604404001
Spannrollenträger vollst.
Radnabe vollst.
Lenker AS 73/2vs vollst.bisFNr.14603404030
Lenker AS 73/2vs vollst.abFNr.14603404031
Lenker AS73/2vs vollst. abFNr.14604404001
Lenkerspannhebel vollst.
Radholm vollst.bisFNr.14603404030
Radholm vollst.abFNr.14603404031
Auswurfblech AS 73 vollst.bisFNr.14603303999
Auswurfblech vollst.abFNr.14603404001
Riemenspanner AS 73 vollst.
Doppelriemenscheibe vollst.
Riemenscheibe Getriebe vollst.
Kraftstofftank vollst.m.Deckel
Bremshebel vollst.
Messerlagerung m.Messer bis FNr.14603202050
Messerlagerung m.Messer ab FNr.14603303001
AS Schlegelmäher
AS Mulchmeister
AS Aufsitzmäher
Samix Gartenhäcksler
AS Wildkraut-Hex
Verschleissteile
Impressum
(C) by motoruf