Zurück zu
AS-Motor
>
AS 55 Heckauswurf
>
AS 55 B2/4T
>
Motor und Motorbefestigung
Ersatzteillisten für AS Motor AS 55 Heckauswurf Motor und Motorbefestigung
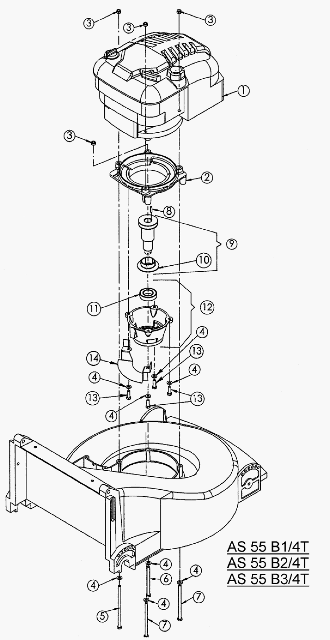
Pos.
Bezeichnung
Ersatzteilnummer
1
Motor B&S INTEK (ohne Abtrieb)
E06858
2
MOTORADAPTER AS 55
E06836
3
SICHERUNGSMUTTER
E06037
4
SPERRKANTSCHEIBE
E07132
5
SECHSKANTSCHRAUBE
E07011
6
SECHSKANTSCHRAUBE
E06892
7
SECHSKANTSCHRAUBE
E07012
8
PAßFEDER F.B&S INTEK
E06852
9
MESSERTRÄGER M.SCHLEUDERSCHEIBE
E06924
10
SCHLEUDERSCHEIBE
E06926
11
RILLENKUGELLAGER
E06855
12
LAGERTOPF VOLLST.
E06832
13
SECHSKANTSCHRAUBE
E03951
14
RIEMENABDECKUNG UNTEN AS55
E07052
Gebrauchsanweisungen
AS Motor
AS Batterierasenmäher
AS 45 Ausputzmäher
AS 46 Variomat
AS 45 Universal
AS 53 Standard
AS 53 Allrad
AS 55 Heckauswurf
AS 55 B1
AS 55 B1/4T
AS 55 B2
AS 55 B2/4T
Mähergehäuse
Lenkholm
Getriebe und Variomatik bis FNr.14804101040
Getriebe und Variomatik ab FNr.14804202011
Motor und Motorbefestigung
Messer
AS 55 B3/4T
AS 550 Heckauswurf
AS Allmäher
AS Enduro
AS Schlegelmäher
AS Mulchmeister
AS Aufsitzmäher
Samix Gartenhäcksler
AS Wildkraut-Hex
Verschleissteile
Impressum
(C) by motoruf