Zurück zu
motoruf
Warenkorb

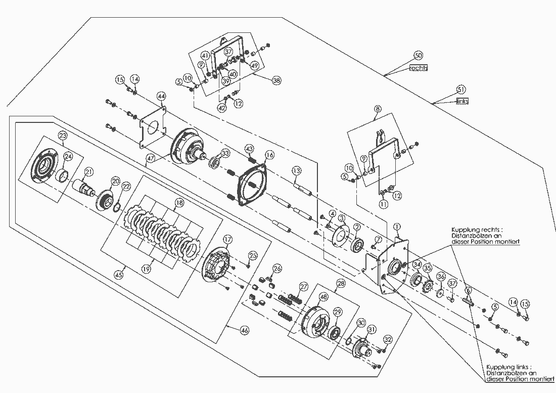
Ersatzteillisten für AS Motor AS Mulchmeister Kupplung rechts und links vollst.




Ersatzteilliste


Pos.BezeichnungErsatzteilnummer
1Kupplungslager ohne KugellagerE07242
2RILLENKUGELLAGERE06855
3ScheibeE07182
4Flachrundschraube E04991
5Sicherungsmutter E05975
6VerbindungsmutterE06726
7SICHERUNGSSCHRAUBE E04631
8Bremsblech vollst.E07230
9DU-BuchseE06539
10HülseE07190
11SCHEIBE E03914
12SECHSKANTSCHRAUBE E03886
13BefestigungsbolzenE07179
14SCHEIBE E01905
15Sechskantschraube E03932
16Bremsplatte AS84LB vollst.E07205
17KupplungskorbE05843
18Aussenlamelle E05841
19Innenlamelle E06312
20KupplungsflanschE06310
21KupplungsnabeE07165
22SicherungsringE06311
23Lagerscheibe mit GleitlagerE07206
24GleitlagerE05839
25Senkschraube mit SternantriebE05845
26MitnehmerstückE05844
27DruckfederE05846
28Kupplungstopf mit RillenkugellagerE07207
29RillenkugellagerE04436
30SicherungsringE02116
31RitzelflanschE07171
32Linsenkopfschraube mit SternantriebE05720
33PaßscheibeE07224
34KettenritzelringE07157
35Kettenrad 12 ZähneE06427
36ScheibeE04552
37SECHSKANTSCHRAUBE E03938
38Betätigungsblech vollst.E07231
39Passscheibe E05984
40RillenkugellagerE07211
41SECHSKANTMUTTER E01912
42SCHEIBE E01940
43DruckfederE05849
44GrundplatteE07185
45LamellensatzE06313
46Kupplungskorb AS84LB kompl.E07961
47Kupplungskorb AS84LB vollst.E07963
48KupplungstopfE07892
49BetätigungsblechE07893
50Kupplung re. vollst.E07968
51Kupplung li. vollst.E07965
Gebrauchsanweisungen
AS Motor
Impressum
(C) by motoruf