Zurück zu
>
Roth / TORO
>
Handgeräte
>
Schneefräsen
>
einstufig
>
S 620
>
609/38162
>
1000001
>
unterer Hauptrahmen
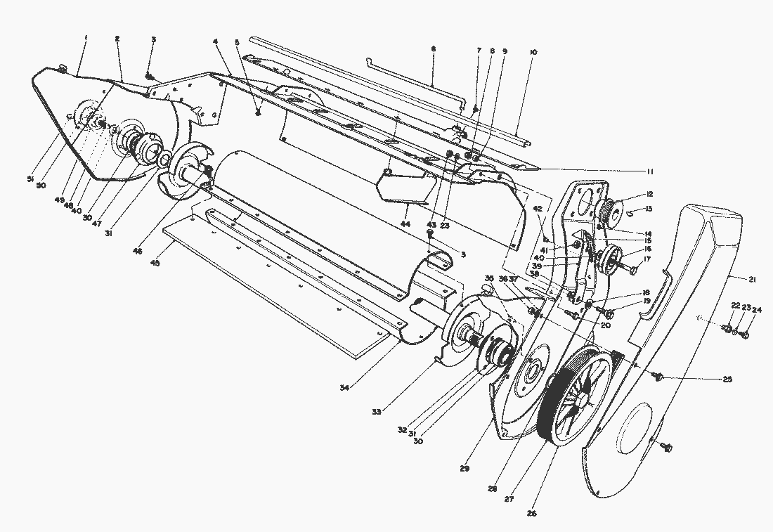
Ersatzteillisten für Toro Roth / TORO unterer Hauptrahmen
Pos.
Bezeichnung
Ersatzteilnummer
1
Platte
52-7080
2
Side Plate-Right
52-9100
3
Schraube
32144-4
4
Gehaeuse
52-7170
5
Screw-Thread Forming
32144-89
6
Linkage-Vane Adjustment
52-7090
7
Schraube
32104-76
8
Mutter
32128-25
9
Spacer
51-2950
10
11
Abdeckung
13-1689
12
Engine Pulley
25-6400
13
Keil
3257-3
14
Schraube
3245-41
15
Feder
26-9730
16
Spannrolle
25-5880
17
Schraube
323-9
18
Scheibe
25-5640
19
Bolzen
27-0410
20
Schraube
321-5
21
Cover-Drive
54-9940
22
Grommet
32117-3
23
scheibe
3256-22
24
Screw-Self Tapping
32104-109
25
Schraube
32105-2
26
Riemenscheibe
49-1530
27
Flachriemen
25-6430
28
Scheibe
26-0970
29
Side Plate Left
33-2130
30
Kugellager
38-7820
31
Scheibe
52-7280
32
Lagerschale
38-8620
33
Drive Shaft 8 End Cap
52-9120
34
Shell-Rotor
23-3191
35
Rivet
3292-8
36
Mutter
3296-2
37
Scheibe
3256-61
38
Scheibe
5-4460
39
Riemenspanner
26-8990
40
Scheibe
3256-24
41
Mutter
3296-39
42
Eyelet
29-7430
Gebrauchsanweisungen
Toro
Roth / TORO
Aufsitzmäher
Handgeräte
Kehrmaschinen
Schneefräsen
Zubehör
zweistufig
einstufig
Snow Commander
CCR 3650 GTS
CCR 3000
CCR 2450
CCR 2400
CCR 2000
CR 1000
CR 20
CR 20 R
S 620
609/38162
9000001
8000001
7000001
6000001
5000001
4000001
1000001
Motor Tecumseh (Modell-Nr. AH-600 Typ 1623-P)
Rücklaufstarter Nr. 590537
Vergaser Nr. 632142A
Starter Motor & Schalter
Motor
unterer Hauptrahmen (Fortsetzung)
unterer Hauptrahmen
Abdeckung & Holm
0000001
S 200
CCR Powerlite
Sauger/Bläser
Rasenmäher
Robin
Impressum
(C) by motoruf