Zurück zu
motoruf
Warenkorb

Ersatzteillisten für Toro Roth / TORO Trommel




Ersatzteilliste


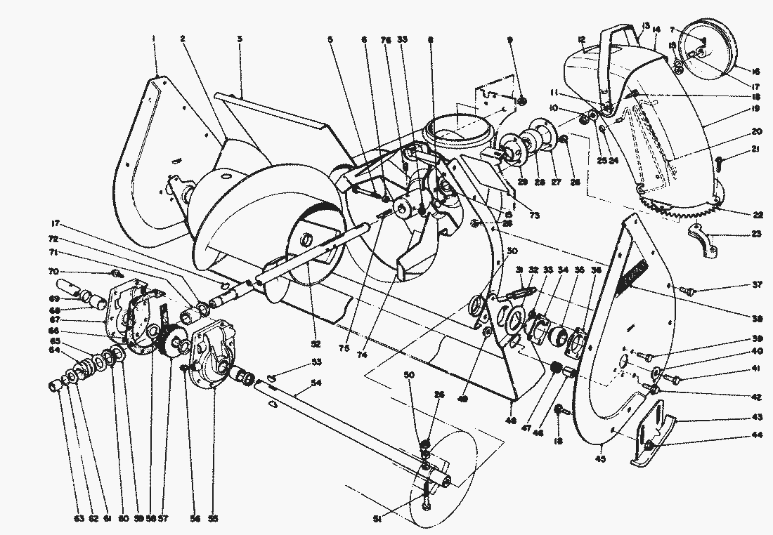
Pos.BezeichnungErsatzteilnummer
1Seitenplatte Re.43-7440
2Auger Right26-6140
Auger Left26-6150
3Raeumgehaeuse40-8120
5Schraube321-44
6Distanzstueck66-8010
7Schraube3242-4
8Schraube3230-1
9Mutter3296-39
10Locknut32152-2
11Scheibe20-4320
12Decal-Discharge63-3760
13Handle Deflector20-1410
14Auswurfschutz11-9379
15Scheibe3-0737
16Riemenscheibe20-1310
17Keil3257-23
18Schraube3231-27
19Auswurfkamin56-2450
20Auswurfschutz54-9770
21Schraube27-0210
22Swivel Gear Chute43-7470
23Fuehrungsstueck40-8150
24Mutter3290-326
25Scheibe3290-340
26MUTTER3296-29
27
28Lager63-3450
29
30Positioner-Scraper Blade26-6400
31Feder5-7290
32Distanzscheibe20-0300
33Stopmutter3296-8
Gebrauchsanweisungen
Toro
Impressum
(C) by motoruf