Zurück zu
>
Roth / TORO
>
Handgeräte
>
Schneefräsen
>
einstufig
>
S 620
>
609/38162
>
1000001
>
Starter Motor & Schalter
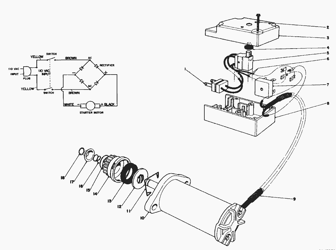
Ersatzteillisten für Toro Roth / TORO Starter Motor & Schalter
Pos.
Bezeichnung
Ersatzteilnummer
1
Plug
36-8370
2
Plastite Screw
61-4830
3
Cap-Switch Housing (Model No. 38185C only)
66-1760
4
Boot-Switch
36-8350
5
Schalter
36-8340
6
Wire-Switch to Rectifier
36-8360
7
Gleichrichter
37-7600
8
Base-Switch Housing (Model No. 38185C only)
66-1750
9
Cable Cover
33-5130
10
11
Clip-Retaining
5-6530
12
13
Gummiring
25-3400
14
15
Scheibe
33-5570
16
Druckfeder
33-3230
17
Kappe
33-3210
18
Wellensicherung
32151-49
Verweisblatt F. E-Starter
28-9140
Zahnrad Kpl.
36-5350
Cord-7 Ft.
28-9170
Gebrauchsanweisungen
Toro
Roth / TORO
Aufsitzmäher
Handgeräte
Kehrmaschinen
Schneefräsen
Zubehör
zweistufig
einstufig
Snow Commander
CCR 3650 GTS
CCR 3000
CCR 2450
CCR 2400
CCR 2000
CR 1000
CR 20
CR 20 R
S 620
609/38162
9000001
8000001
7000001
6000001
5000001
4000001
1000001
Motor Tecumseh (Modell-Nr. AH-600 Typ 1623-P)
Rücklaufstarter Nr. 590537
Vergaser Nr. 632142A
Starter Motor & Schalter
Motor
unterer Hauptrahmen (Fortsetzung)
unterer Hauptrahmen
Abdeckung & Holm
0000001
S 200
CCR Powerlite
Sauger/Bläser
Rasenmäher
Robin
Impressum
(C) by motoruf