Zurück zu
>
Roth / TORO
>
Handgeräte
>
Schneefräsen
>
zweistufig
>
1028 PowerShift
>
635/38555
>
3900001
>
Beleuchtung Nr. 66-7940
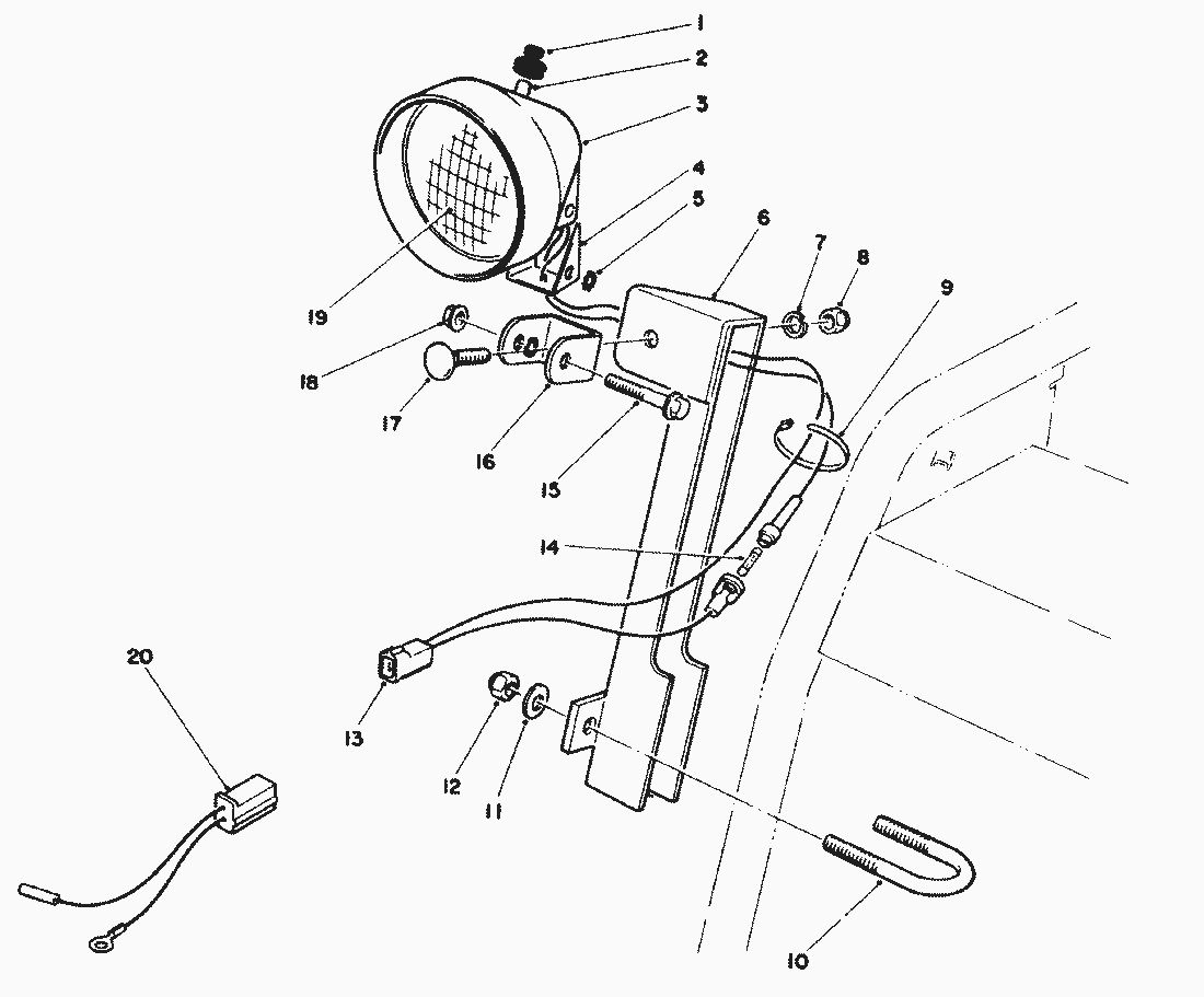
Ersatzteillisten für Toro Roth / TORO Beleuchtung Nr. 66-7940
Pos.
Bezeichnung
Ersatzteilnummer
1
Schalter-Abdeckung
218-473
2
Schalter
218-553
3
Bucket-Headlamp
218-552
4
Halter
218-554
5
Federring
3255-8
6
Mount-Lamp
68-7110
7
Federring
3253-21
8
Mutter
3217-7
9
Tie Wrap
3290-378
10
U-Buegel
68-7140
11
Scheibe
3256-23
12
MUTTER
3296-29
13
Kabelbaum
54-9810
14
15
Schraube
322-13
16
U.Buegel
218-556
17
Schraube
3231-2
18
Mutter
32128-35
19
Birneneinsatz 12v/18watt
218-16
20
Kabelbaum
54-9810
Lampe Kpl.
54-9871
Gebrauchsanweisungen
Toro
Roth / TORO
Aufsitzmäher
Handgeräte
Kehrmaschinen
Schneefräsen
Zubehör
zweistufig
1332 PowerShift
1232 PowerShift
1132 PowerShift
1132
1028 PowerShift
635/38559
635/38555
890000001
790000001
69000001
59000001
4900001
3900001
Rücklaufstarter Nr. 590672
Tecumseh Motor (Modell HMSK1OO-159227S)(Fortsetzung)
Tecumseh Motor (Modell HMSK100-159227S)
Vergaser Nr. 632370A
Beleuchtung Nr. 66-7940
Holm
Antrieb
Antrieb Gestänge
Getriebe Nr. 66-8030 (Fortsetzung)
Getriebe Nr. 66-8030
Motor
Getriebegehäuse Nr. 74-1561
Gehäuse (Fortsetzung)
Gehäuse & Auswurf
924 PowerShift
828 PowerShift
824 PowerShift
824 XL
824
724
624 PowerShift
622
521
3521
einstufig
Sauger/Bläser
Rasenmäher
Robin
Impressum
(C) by motoruf